CM-UCF328D1-

Time:2025-11-25Edit:JFU Bearing
CM-UCF328D1

CM-UCF328D1

/uploads/pic/croh3wrlvik905_20251120122405.webp

CM-UCF328D1

Designations

CM-UCF328D1

Included products

Bearing UC328D1 Bearing
Housing F328D1 Housing

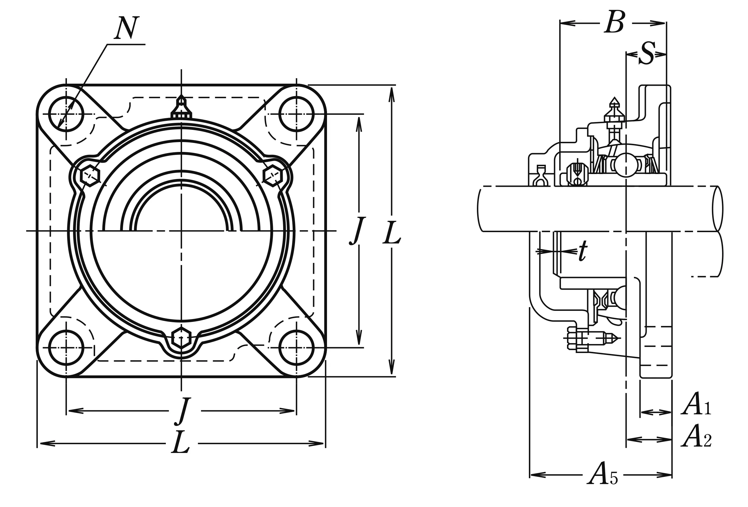
Nominal Dimensions

d 140 mm Bore diameter
L 450 mm Overall length
J 350 mm Distance between attachment bolts
N 41 mm Diameter of attachment bolt hole
A2 75 mm Flange width
A1 55 mm Flange width
A5 192 mm Width including end cover
A0 161 mm Overall width
B,B1,B2 145 mm Width of inner ring
t 6 mm Clearance
S 59 mm Distance from Opposite side face of locking device to raceway centre

Mounting information

G M36 Bolt size

Basic Load Ratings

Cr 253 kN Basic dynamic load rating
C0r 246 kN Basic static load rating

Mass

mass 100 kg Mass approx.

Questions?

We are here to help.

admin@jfubearing.com

Get expert sales advice within 12 hours.

💬

+86-15961837791

Chat with us now for a quick response.

Contact us now to get a free quote or estimate.