CM-UCF317D1-

Time:2025-11-25Edit:JFU Bearing
CM-UCF317D1

CM-UCF317D1

/uploads/pic/1poubty3pxz715_20251120113346.webp

CM-UCF317D1

Designations

CM-UCF317D1

Included products

Bearing UC317D1 Bearing
Housing F317D1 Housing

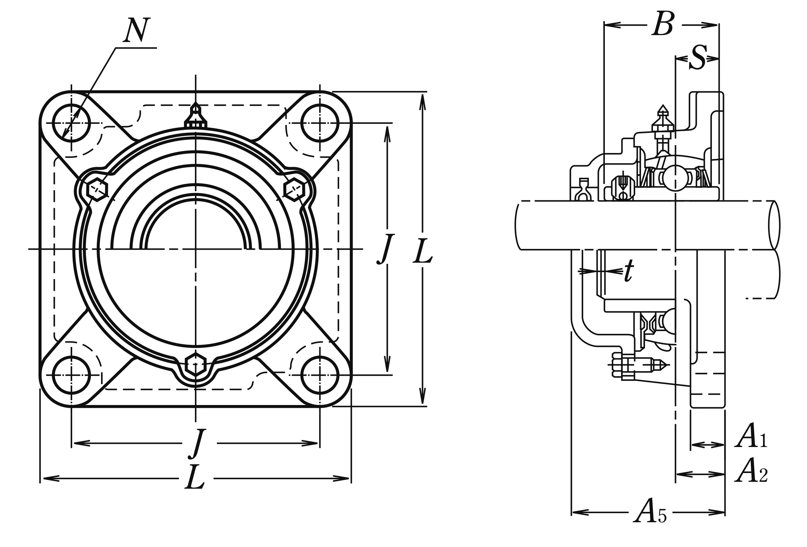
Nominal Dimensions

d 85 mm Bore diameter
L 260 mm Overall length
J 204 mm Distance between attachment bolts
N 31 mm Diameter of attachment bolt hole
A2 44 mm Flange width
A1 27 mm Flange width
A5 129 mm Width including end cover
A0 100 mm Overall width
B,B1,B2 96 mm Width of inner ring
t 5 mm Clearance
S 40 mm Distance from Opposite side face of locking device to raceway centre

Mounting information

G M27 Bolt size

Basic Load Ratings

Cr 133 kN Basic dynamic load rating
C0r 97 kN Basic static load rating

Mass

mass 19 kg Mass approx.

Questions?

We are here to help.

admin@jfubearing.com

Get expert sales advice within 12 hours.

💬

+86-15961837791

Chat with us now for a quick response.

Contact us now to get a free quote or estimate.