CM-UCF217D1-

Time:2025-11-25Edit:JFU Bearing
CM-UCF217D1

CM-UCF217D1

/uploads/pic/zf5vbqow0u5709_20251120113234.webp

CM-UCF217D1

Designations

CM-UCF217D1

Included products

Bearing UC217D1 Bearing
Housing F217D1 Housing

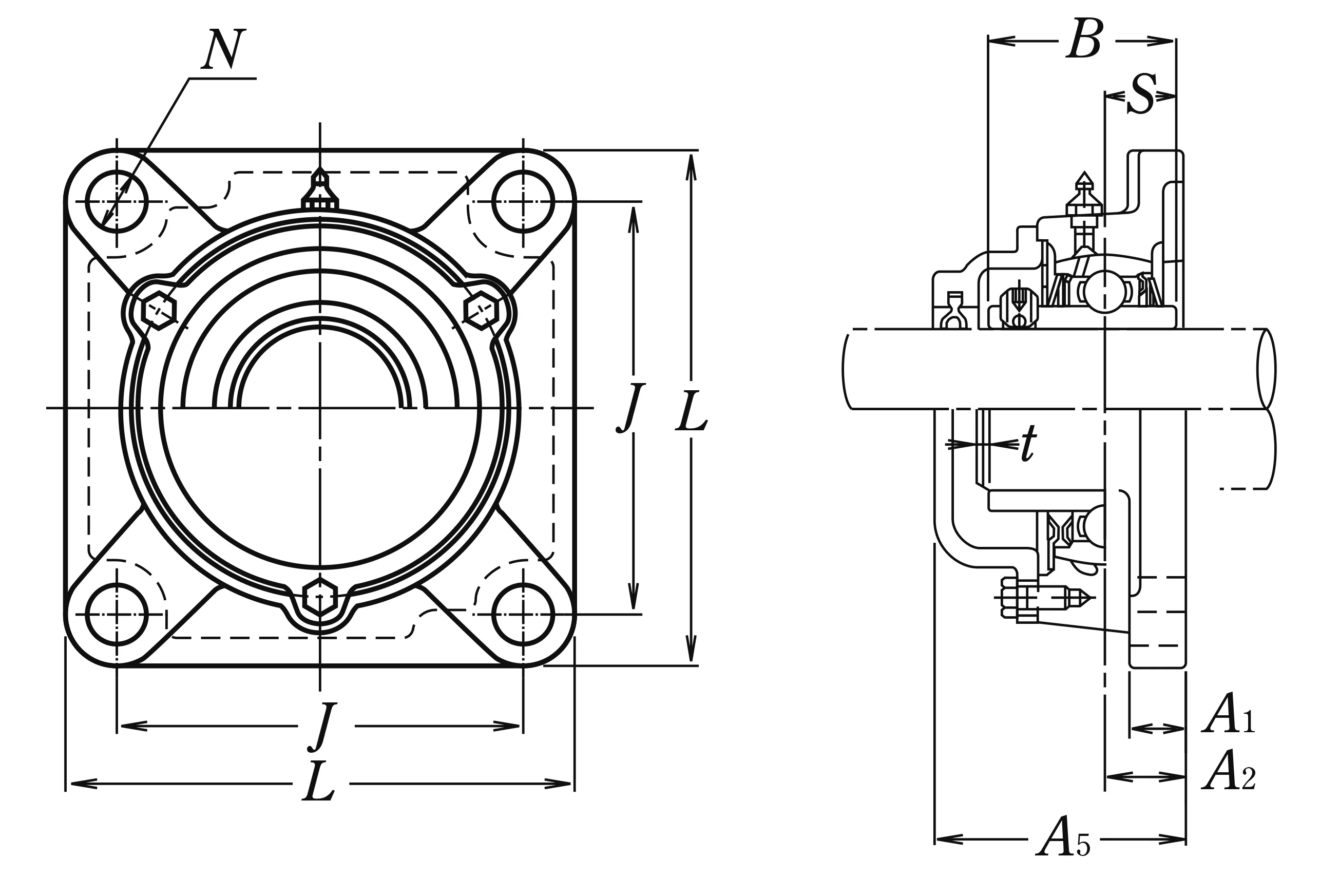
Nominal Dimensions

d 85 mm Bore diameter
L 220 mm Overall length
J 175 mm Distance between attachment bolts
N 23 mm Diameter of attachment bolt hole
A2 36 mm Flange width
A1 24 mm Flange width
A5 114 mm Width including end cover
A0 87.6 mm Overall width
B,B1,B2 85.7 mm Width of inner ring
t 5 mm Clearance
S 34.1 mm Distance from Opposite side face of locking device to raceway centre

Mounting information

G M20 Bolt size

Basic Load Ratings

Cr 83.5 kN Basic dynamic load rating
C0r 64 kN Basic static load rating

Mass

mass 12 kg Mass approx.

Questions?

We are here to help.

admin@jfubearing.com

Get expert sales advice within 12 hours.

💬

+86-15961837791

Chat with us now for a quick response.

Contact us now to get a free quote or estimate.