CM-UCFX17D1-

Time:2025-11-25Edit:JFU Bearing
CM-UCFX17D1

CM-UCFX17D1

/uploads/pic/wgiefw4aqdq703_20251120113152.webp

CM-UCFX17D1

Designations

CM-UCFX17D1

Included products

Bearing UCX17D1 Bearing
Housing FX17D1 Housing

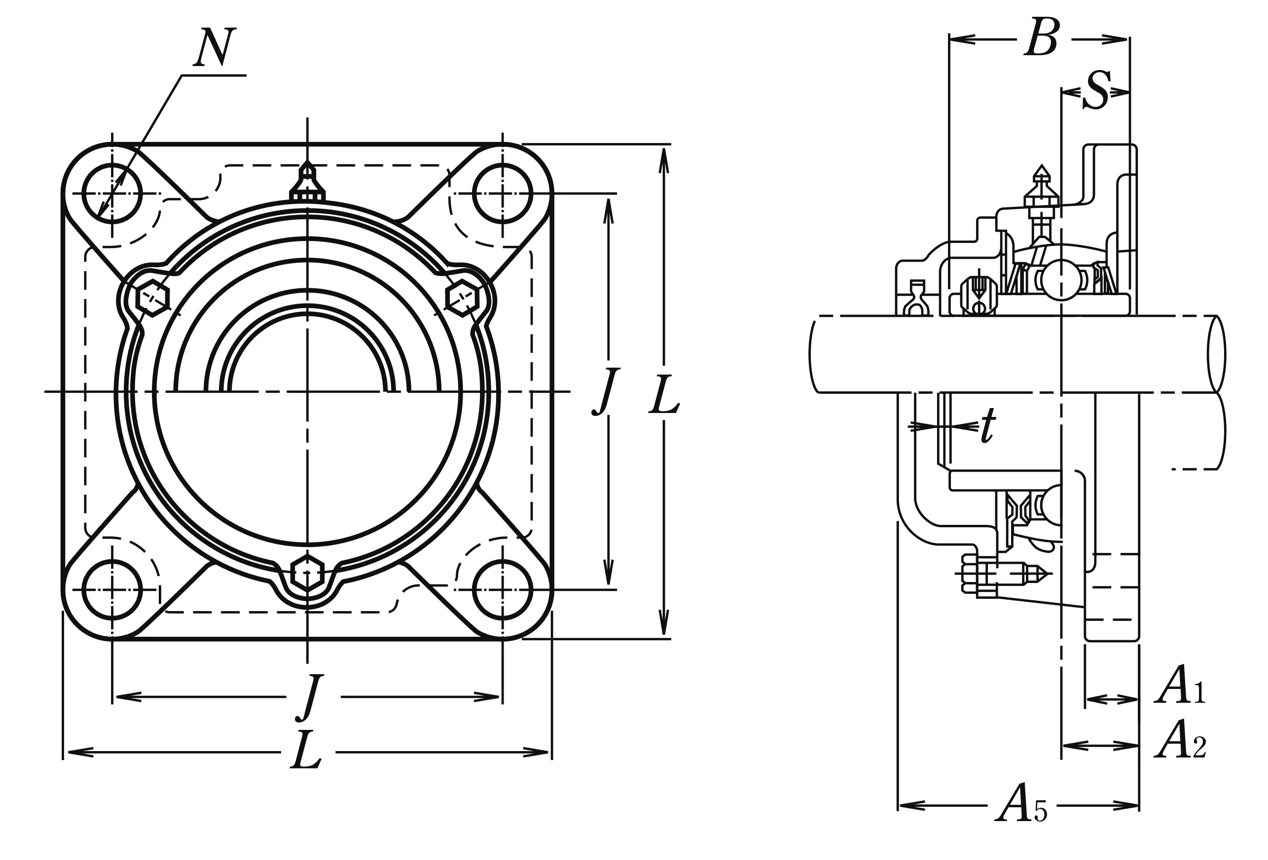
Nominal Dimensions

d 85 mm Bore diameter
L 214 mm Overall length
J 171 mm Distance between attachment bolts
N 23 mm Diameter of attachment bolt hole
A2 40 mm Flange width
A1 24 mm Flange width
A5 122 mm Width including end cover
A0 96.3 mm Overall width
B,B1,B2 96 mm Width of inner ring
t 5 mm Clearance
S 39.7 mm Distance from Opposite side face of locking device to raceway centre

Mounting information

G M20 Bolt size

Basic Load Ratings

Cr 96 kN Basic dynamic load rating
C0r 71.5 kN Basic static load rating

Mass

mass 14 kg Mass approx.

Questions?

We are here to help.

admin@jfubearing.com

Get expert sales advice within 12 hours.

💬

+86-15961837791

Chat with us now for a quick response.

Contact us now to get a free quote or estimate.