C-UCF215D1-

Time:2025-11-25Edit:JFU Bearing
C-UCF215D1

C-UCF215D1

/uploads/pic/snfiemeo2ab613_20251120110646.webp

C-UCF215D1

Designations

C-UCF215D1

Included products

Bearing UC215D1 Bearing
Housing F215D1 Housing

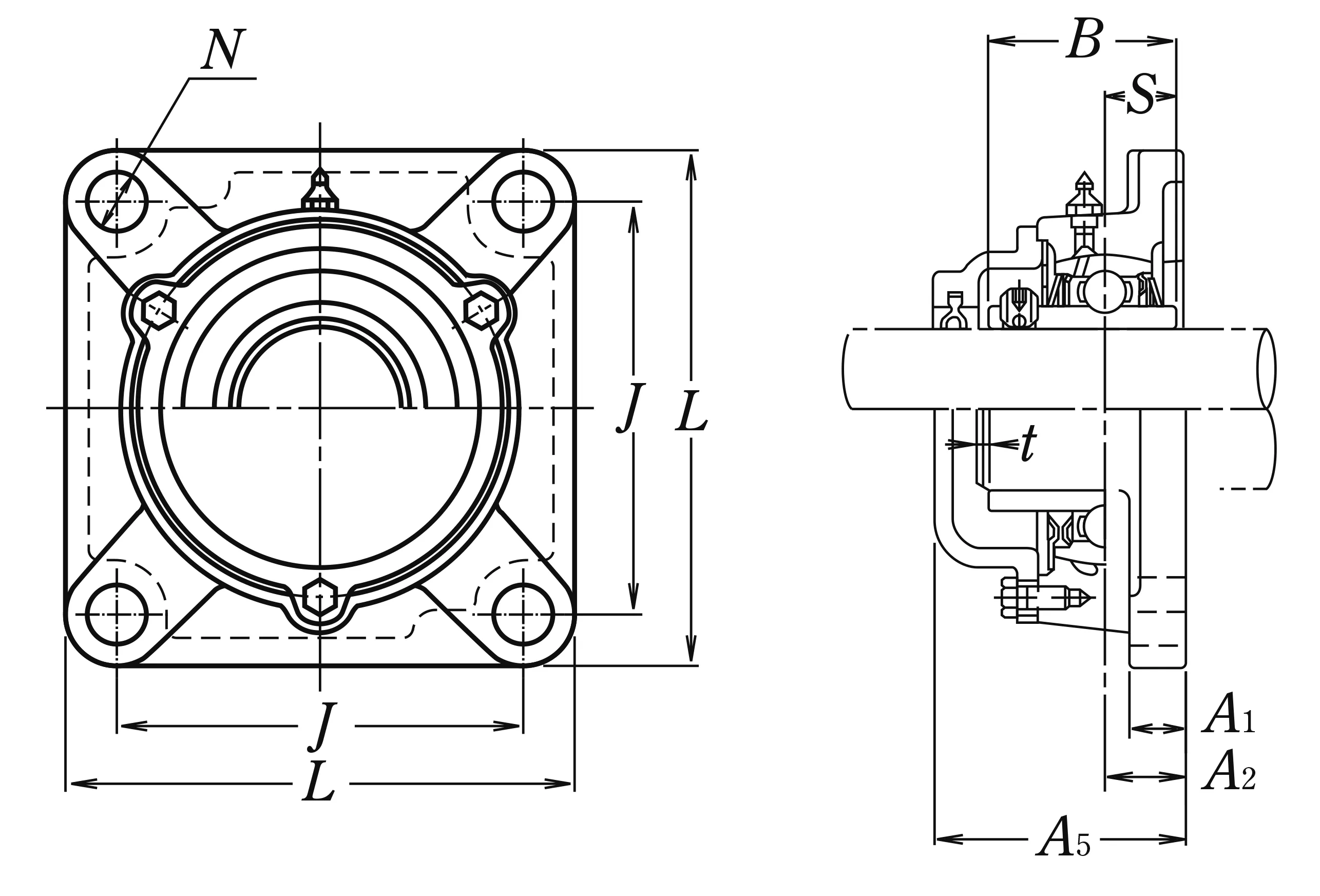
Nominal Dimensions

d 75 mm Bore diameter
L 200 mm Overall length
J 159 mm Distance between attachment bolts
N 19 mm Diameter of attachment bolt hole
A2 34 mm Flange width
A1 22 mm Flange width
A5 102 mm Width including end cover
A0 78.5 mm Overall width
B,B1,B2 77.8 mm Width of inner ring
t 4 mm Clearance
S 33.3 mm Distance from Opposite side face of locking device to raceway centre

Mounting information

G M16 Bolt size

Basic Load Ratings

Cr 66 kN Basic dynamic load rating
C0r 49.5 kN Basic static load rating

Mass

mass 7.9 kg Mass approx.

Questions?

We are here to help.

admin@jfubearing.com

Get expert sales advice within 12 hours.

💬

+86-15961837791

Chat with us now for a quick response.

Contact us now to get a free quote or estimate.