C-UCFX15D1-

Time:2025-11-25Edit:JFU Bearing
C-UCFX15D1

C-UCFX15D1

/uploads/pic/lyxlwcpllkt607_20251120110022.webp

C-UCFX15D1

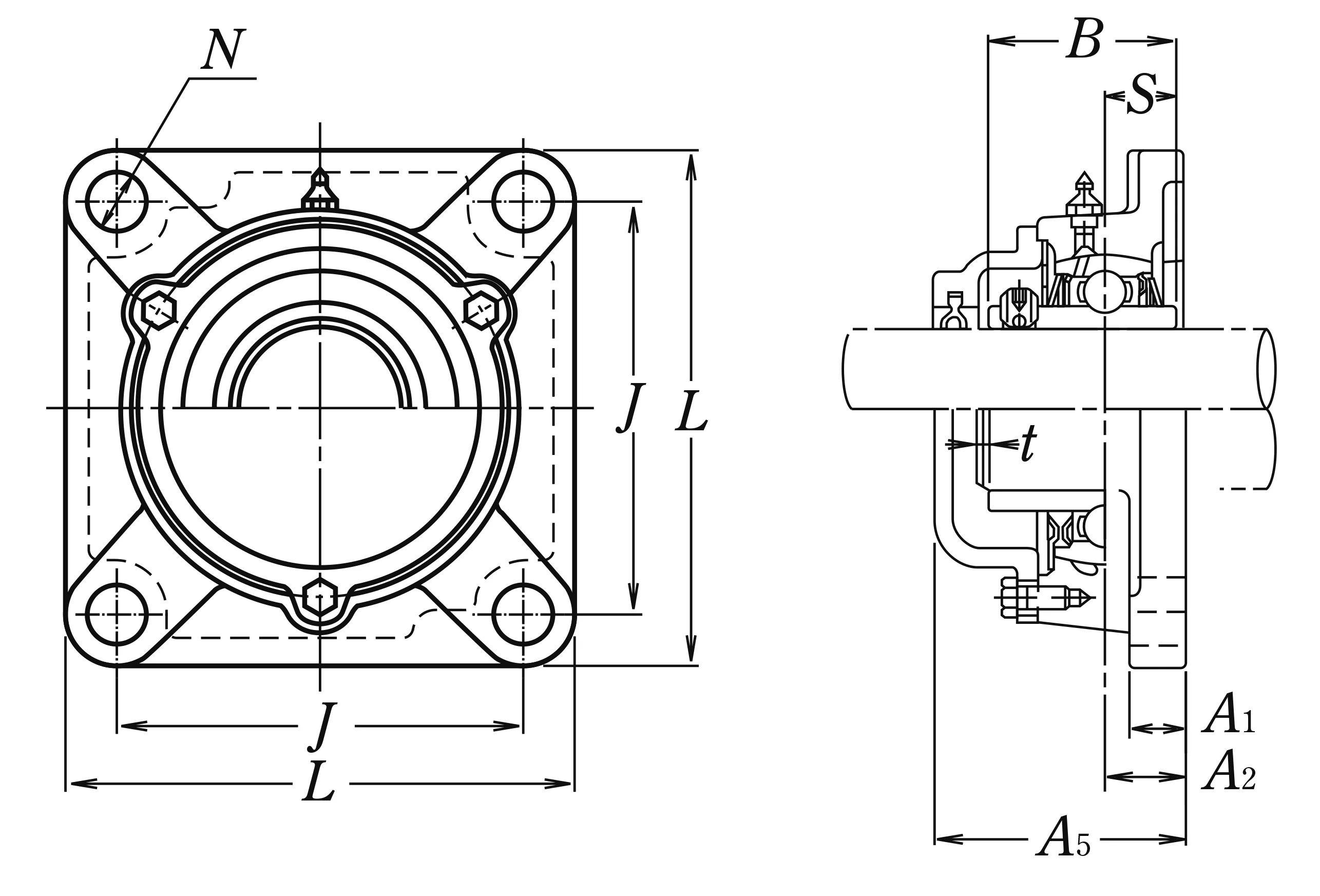
Designations

C-UCFX15D1

Included products

Bearing UCX15D1 Bearing
Housing FX15D1 Housing

Nominal Dimensions

d 75 mm Bore diameter
L 197 mm Overall length
J 152 mm Distance between attachment bolts
N 23 mm Diameter of attachment bolt hole
A2 40 mm Flange width
A1 24 mm Flange width
A5 112 mm Width including end cover
A0 89.3 mm Overall width
B,B1,B2 82.6 mm Width of inner ring
t 4 mm Clearance
S 33.3 mm Distance from Opposite side face of locking device to raceway centre

Mounting information

G M20 Bolt size

Basic Load Ratings

Cr 72.5 kN Basic dynamic load rating
C0r 53 kN Basic static load rating

Mass

mass 9.9 kg Mass approx.

Questions?

We are here to help.

admin@jfubearing.com

Get expert sales advice within 12 hours.

💬

+86-15961837791

Chat with us now for a quick response.

Contact us now to get a free quote or estimate.