UCFS314D1-

Time:2025-11-25Edit:JFU Bearing
UCFS314D1

UCFS314D1

/uploads/pic/qfnswkefwd4587_20251120105653.webp

UCFS314D1

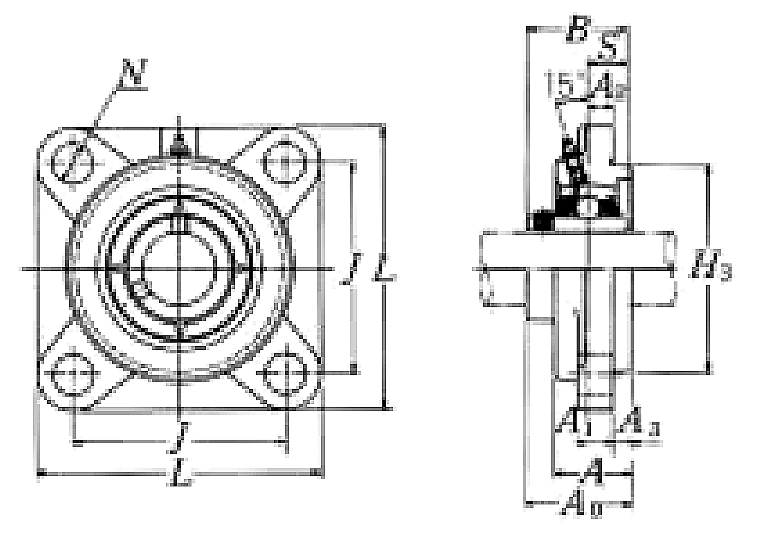
Designations

UCFS314D1

Included products

Bearing UC314D1 Bearing
Housing FS314D1 Housing

Nominal Dimensions

d 70 mm Bore diameter
L 226 mm Overall length
H3 185 mm Outer diameter of Spigot Joint
J 178 mm Distance between attachment bolts
A3 18 mm Height of of Spigot Joint
A2 18 mm Flange width
A1 25 mm Flange width
A 61 mm Base width
A0 81 mm Overall width
B,B1,B2 78 mm Width of inner ring
S 33 mm Distance from Opposite side face of locking device to raceway centre

Mounting information

G M22 Bolt size

Basic Load Ratings

Cr 104 kN Basic dynamic load rating
C0r 68 kN Basic static load rating

Mass

mass 10 kg Mass approx.

Questions?

We are here to help.

admin@jfubearing.com

Get expert sales advice within 12 hours.

💬

+86-15961837791

Chat with us now for a quick response.

Contact us now to get a free quote or estimate.