C-UCF313D1-

Time:2025-11-25Edit:JFU Bearing
C-UCF313D1

C-UCF313D1

/uploads/pic/zbj0bit2bca535_20251120104908.webp

C-UCF313D1

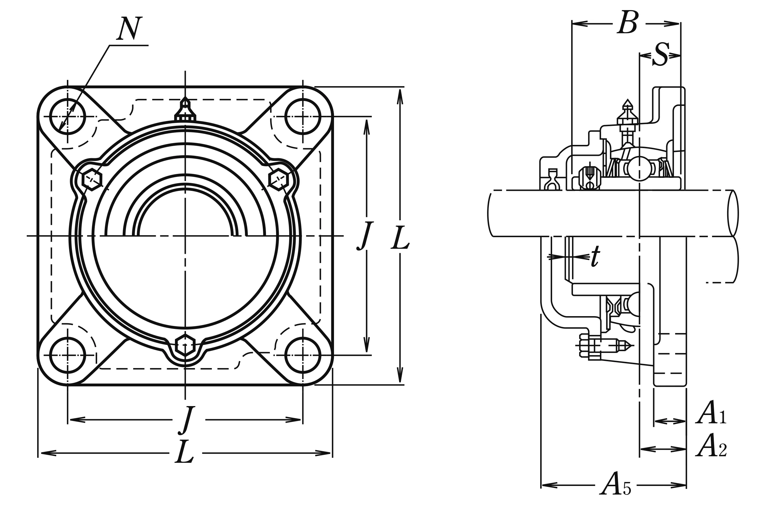
Designations

C-UCF313D1

Included products

Bearing UC313D1 Bearing
Housing F313D1 Housing

Nominal Dimensions

d 65 mm Bore diameter
L 208 mm Overall length
J 166 mm Distance between attachment bolts
N 23 mm Diameter of attachment bolt hole
A2 33 mm Flange width
A1 22 mm Flange width
A5 103 mm Width including end cover
A0 78 mm Overall width
B,B1,B2 75 mm Width of inner ring
t 4 mm Clearance
S 30 mm Distance from Opposite side face of locking device to raceway centre

Mounting information

G M20 Bolt size

Basic Load Ratings

Cr 92.5 kN Basic dynamic load rating
C0r 60 kN Basic static load rating

Mass

mass 9.7 kg Mass approx.

Questions?

We are here to help.

admin@jfubearing.com

Get expert sales advice within 12 hours.

💬

+86-15961837791

Chat with us now for a quick response.

Contact us now to get a free quote or estimate.