C-UCFX11D1-

Time:2025-11-25Edit:JFU Bearing
C-UCFX11D1

C-UCFX11D1

/uploads/pic/an24wthcj0r433_20251120101618.webp

C-UCFX11D1

Designations

C-UCFX11D1

Included products

Bearing UCX11D1 Bearing
Housing FX11D1 Housing

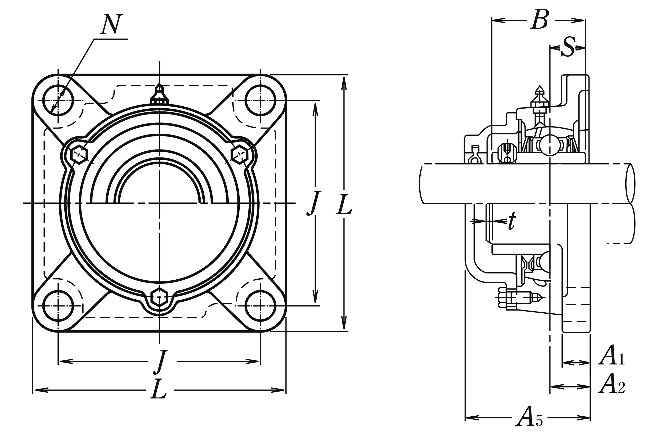
Nominal Dimensions

d 55 mm Bore diameter
L 175 mm Overall length
J 143 mm Distance between attachment bolts
N 19 mm Diameter of attachment bolt hole
A2 29 mm Flange width
A1 20 mm Flange width
A5 86 mm Width including end cover
A0 68.7 mm Overall width
B,B1,B2 65.1 mm Width of inner ring
t 4 mm Clearance
S 25.4 mm Distance from Opposite side face of locking device to raceway centre

Mounting information

G M16 Bolt size

Basic Load Ratings

Cr 52.5 kN Basic dynamic load rating
C0r 36 kN Basic static load rating

Mass

mass 5.5 kg Mass approx.

Questions?

We are here to help.

admin@jfubearing.com

Get expert sales advice within 12 hours.

💬

+86-15961837791

Chat with us now for a quick response.

Contact us now to get a free quote or estimate.