Z-UCF211D1-

Time:2025-11-25Edit:JFU Bearing
Z-UCF211D1

Z-UCF211D1

/uploads/pic/tfdhva4wden411_20251120101257.webp

Z-UCF211D1

Designations

Z-UCF211D1

Included products

Bearing UC211D1 Bearing
Housing F211D1 Housing

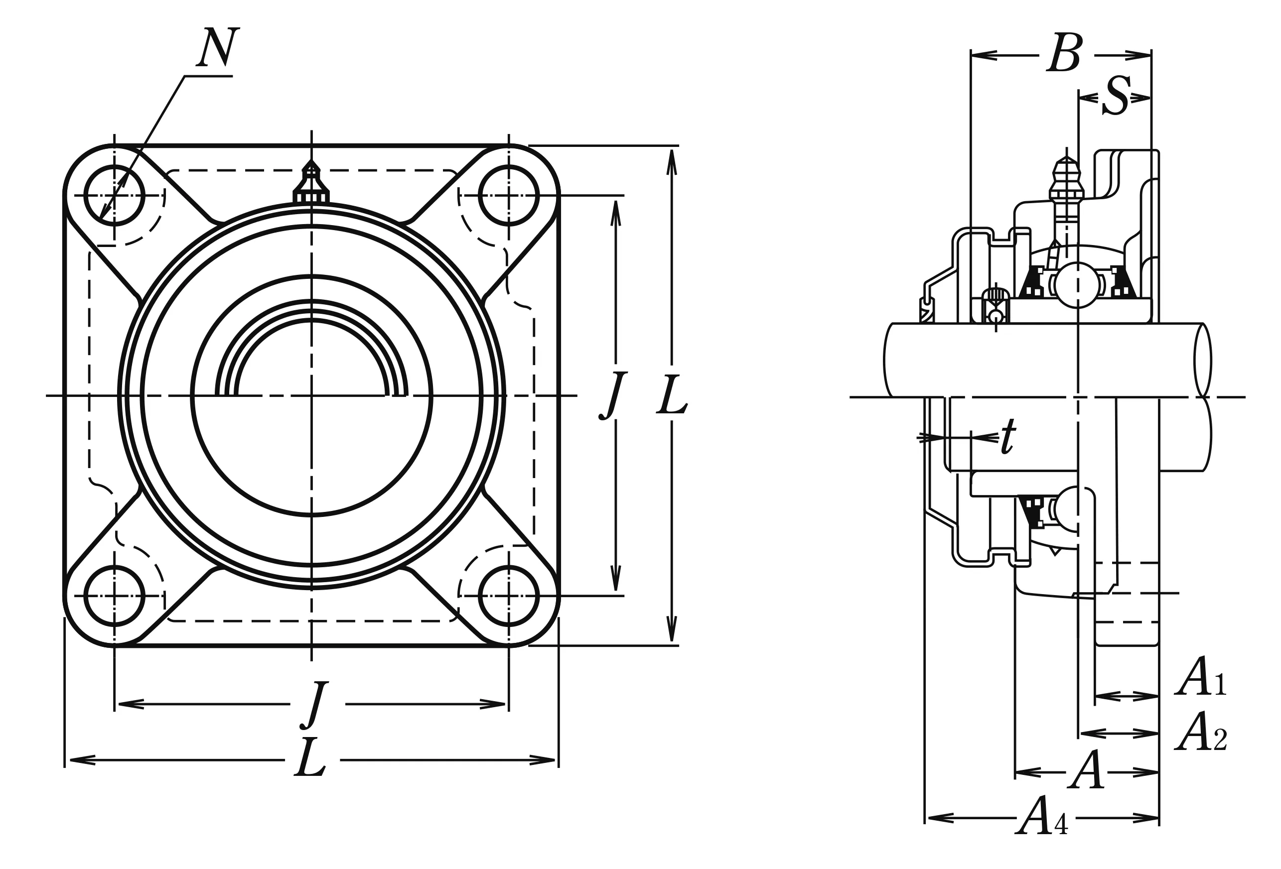
Nominal Dimensions

d 55 mm Bore diameter
L 162 mm Overall length
J 130 mm Distance between attachment bolts
N 19 mm Diameter of attachment bolt hole
A2 25 mm Flange width
A1 18 mm Flange width
A 43 mm Base width
A4 64 mm Width including end cover
A0 58.4 mm Overall width
B,B1,B2 55.6 mm Width of inner ring
t 4 mm Clearance
S 22.2 mm Distance from Opposite side face of locking device to raceway centre

Mounting information

G M16 Bolt size

Basic Load Ratings

Cr 43.5 kN Basic dynamic load rating
C0r 29.2 kN Basic static load rating

Mass

mass 3.4 kg Mass approx.

Questions?

We are here to help.

admin@jfubearing.com

Get expert sales advice within 12 hours.

💬

+86-15961837791

Chat with us now for a quick response.

Contact us now to get a free quote or estimate.