C-UCF210D1-

Time:2025-11-25Edit:JFU Bearing
C-UCF210D1

C-UCF210D1

/uploads/pic/e514a0hraxm357_20251120100051.webp

C-UCF210D1

Designations

C-UCF210D1

Included products

Bearing UC210D1 Bearing
Housing F210D1 Housing

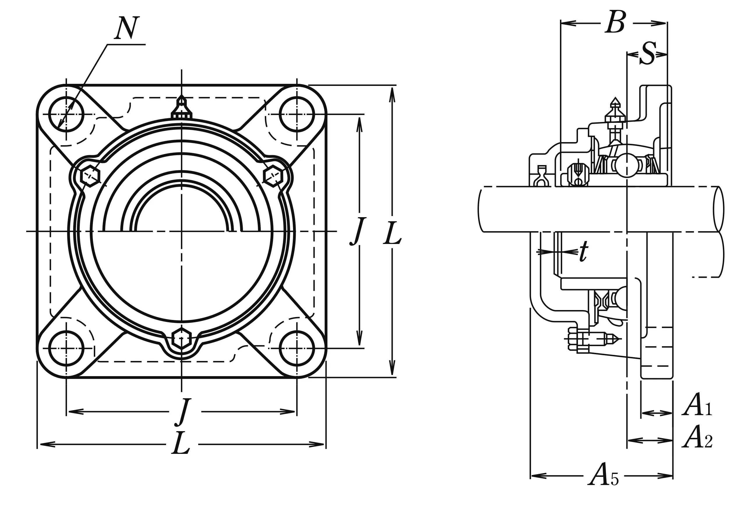
Nominal Dimensions

d 50 mm Bore diameter
L 143 mm Overall length
J 111 mm Distance between attachment bolts
N 16 mm Diameter of attachment bolt hole
A2 22 mm Flange width
A1 16 mm Flange width
A5 72 mm Width including end cover
A0 54.6 mm Overall width
B,B1,B2 51.6 mm Width of inner ring
t 3 mm Clearance
S 19 mm Distance from Opposite side face of locking device to raceway centre

Mounting information

G M14 Bolt size

Basic Load Ratings

Cr 35 kN Basic dynamic load rating
C0r 23.2 kN Basic static load rating

Mass

mass 3 kg Mass approx.

Questions?

We are here to help.

admin@jfubearing.com

Get expert sales advice within 12 hours.

💬

+86-15961837791

Chat with us now for a quick response.

Contact us now to get a free quote or estimate.