C-UCF309D1-

Time:2025-11-25Edit:JFU Bearing
C-UCF309D1

C-UCF309D1

/uploads/pic/3nts3jaq2uy323_20251120095512.webp

C-UCF309D1

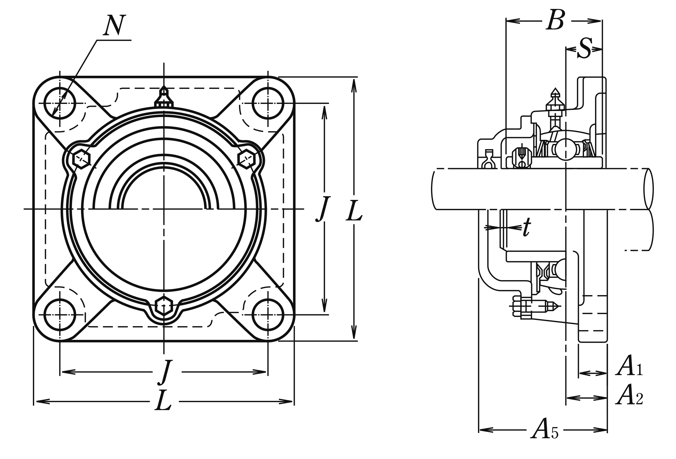
Designations

C-UCF309D1

Included products

Bearing UC309D1 Bearing
Housing F309D1 Housing

Nominal Dimensions

d 45 mm Bore diameter
L 160 mm Overall length
J 125 mm Distance between attachment bolts
N 19 mm Diameter of attachment bolt hole
A2 25 mm Flange width
A1 18 mm Flange width
A5 80 mm Width including end cover
A0 60 mm Overall width
B,B1,B2 57 mm Width of inner ring
t 3 mm Clearance
S 22 mm Distance from Opposite side face of locking device to raceway centre

Mounting information

G M16 Bolt size

Basic Load Ratings

Cr 53 kN Basic dynamic load rating
C0r 32 kN Basic static load rating

Mass

mass 4.3 kg Mass approx.

Questions?

We are here to help.

admin@jfubearing.com

Get expert sales advice within 12 hours.

💬

+86-15961837791

Chat with us now for a quick response.

Contact us now to get a free quote or estimate.