UELFU208D1-

Time:2025-11-25Edit:JFU Bearing
UELFU208D1

UELFU208D1

/uploads/pic/ootapikmvai251_20251120092417.webp

UELFU208D1

Designations

UELFU208D1

Included products

Bearing UEL208D1 Bearing
Housing FU208D1 Housing

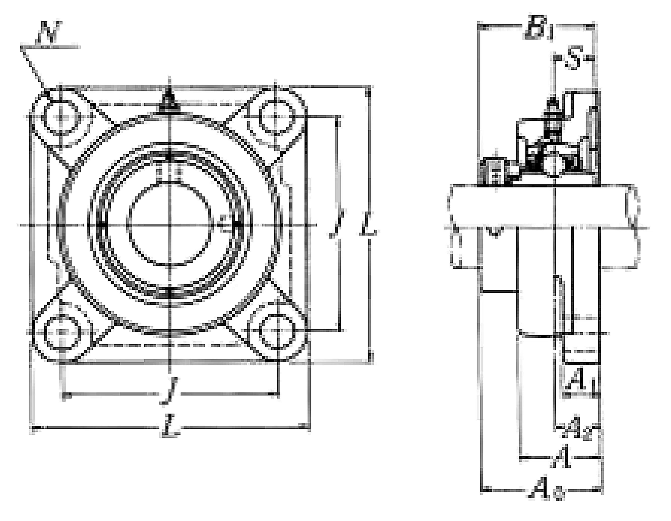
Nominal Dimensions

d 40 mm Bore diameter
L 131 mm Overall length
J 101.5 mm Distance between attachment bolts
N 14 mm Diameter of attachment bolt hole
A2 24 mm Flange width
A1 17 mm Flange width
A 39 mm Base width
A0 58.9 mm Overall width
B,B1,B2 56.3 mm Width of inner ring
S 21.4 mm Distance from Opposite side face of locking device to raceway centre

Mounting information

G M12 Bolt size

Basic Load Ratings

Cr 29.1 kN Basic dynamic load rating
C0r 17.8 kN Basic static load rating

Mass

mass 2.2 kg Mass approx.

Questions?

We are here to help.

admin@jfubearing.com

Get expert sales advice within 12 hours.

💬

+86-15961837791

Chat with us now for a quick response.

Contact us now to get a free quote or estimate.