ZM-UCF208D1-

Time:2025-11-25Edit:JFU Bearing
ZM-UCF208D1

ZM-UCF208D1

/uploads/pic/pbvnohzcagt245_20251120092327.webp

ZM-UCF208D1

Designations

ZM-UCF208D1

Included products

Bearing UC208D1 Bearing
Housing F208D1 Housing

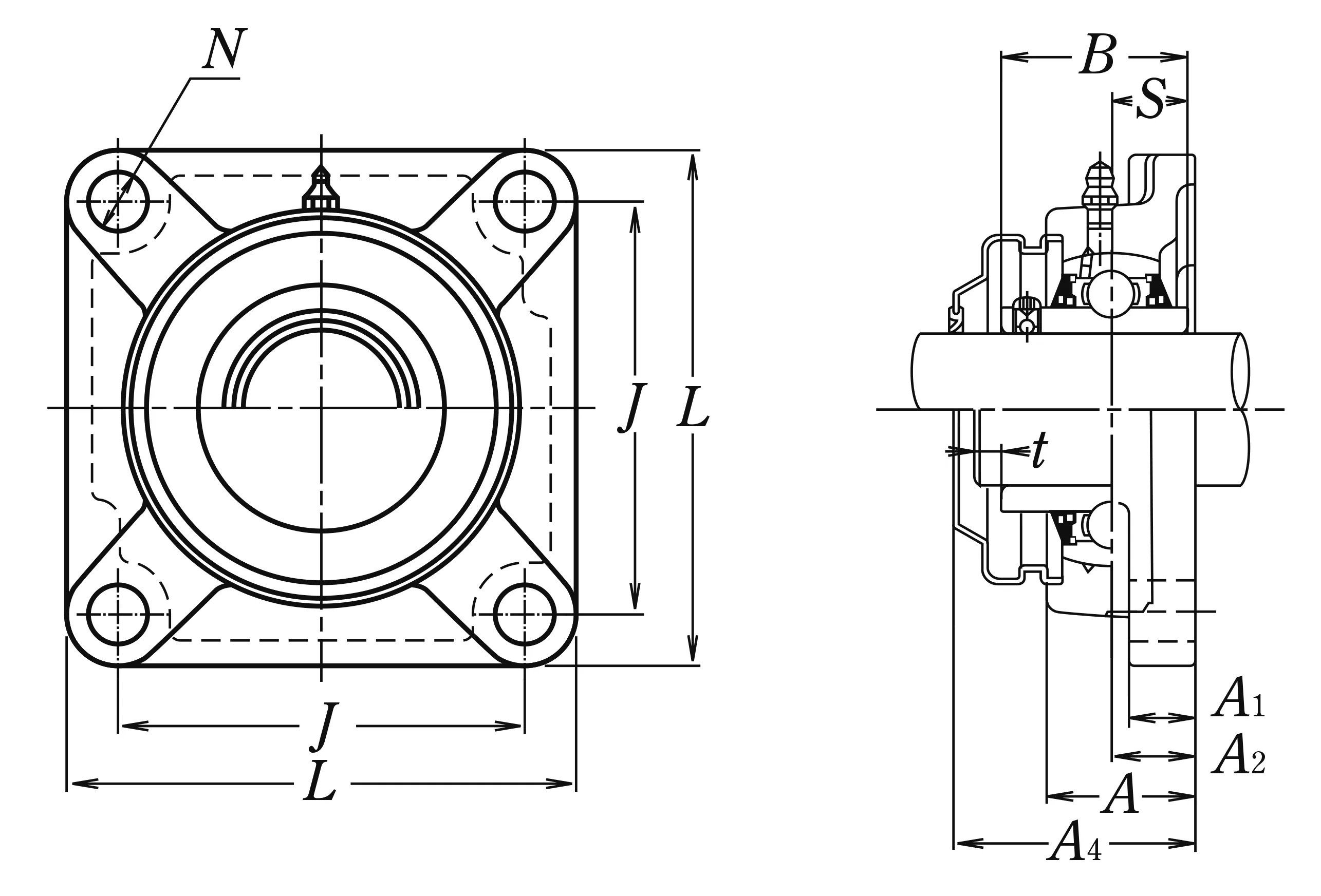
Nominal Dimensions

d 40 mm Bore diameter
L 130 mm Overall length
J 102 mm Distance between attachment bolts
N 16 mm Diameter of attachment bolt hole
A2 21 mm Flange width
A1 15 mm Flange width
A 36 mm Base width
A4 56 mm Width including end cover
A0 51.2 mm Overall width
B,B1,B2 49.2 mm Width of inner ring
t 3 mm Clearance
S 19 mm Distance from Opposite side face of locking device to raceway centre

Mounting information

G M14 Bolt size

Basic Load Ratings

Cr 29.1 kN Basic dynamic load rating
C0r 17.8 kN Basic static load rating

Mass

mass 1.8 kg Mass approx.

Questions?

We are here to help.

admin@jfubearing.com

Get expert sales advice within 12 hours.

💬

+86-15961837791

Chat with us now for a quick response.

Contact us now to get a free quote or estimate.