C-UCFX05D1-

Time:2025-11-25Edit:JFU Bearing
C-UCFX05D1

C-UCFX05D1

/uploads/pic/awe2eydkqro95_20251120080519.webp

C-UCFX05D1

Designations

C-UCFX05D1

Included products

Bearing UCX05D1 Bearing
Housing FX05D1 Housing

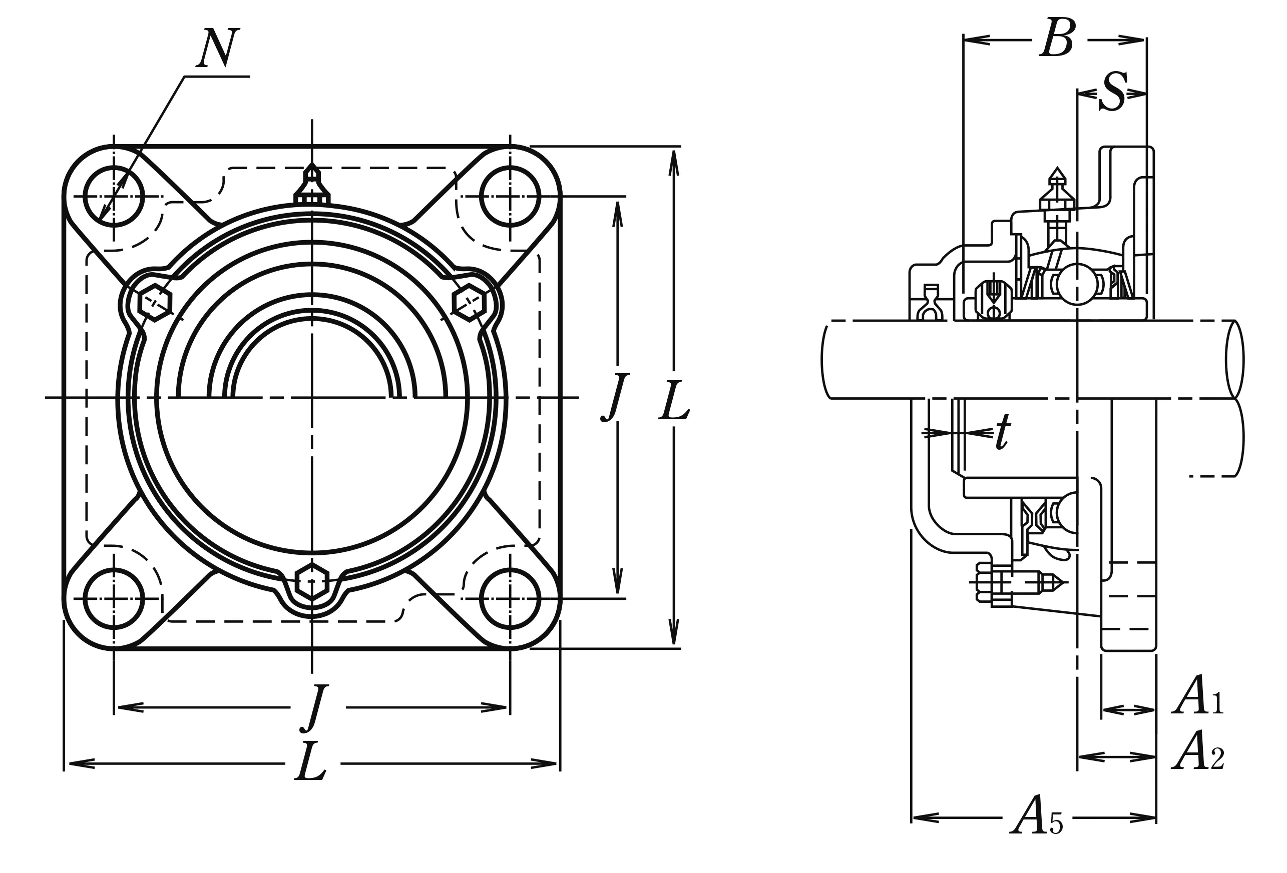
Nominal Dimensions

d 25 mm Bore diameter
L 108 mm Overall length
J 83 mm Distance between attachment bolts
N 12 mm Diameter of attachment bolt hole
A2 18 mm Flange width
A1 13 mm Flange width
A5 56 mm Width including end cover
A0 40.2 mm Overall width
B,B1,B2 38.1 mm Width of inner ring
t 2 mm Clearance
S 15.9 mm Distance from Opposite side face of locking device to raceway centre

Mounting information

G M10 Bolt size

Basic Load Ratings

Cr 19.5 kN Basic dynamic load rating
C0r 11.3 kN Basic static load rating

Mass

mass 1.3 kg Mass approx.

Questions?

We are here to help.

admin@jfubearing.com

Get expert sales advice within 12 hours.

💬

+86-15961837791

Chat with us now for a quick response.

Contact us now to get a free quote or estimate.