UELFU205D1-

Time:2025-11-25Edit:JFU Bearing
UELFU205D1

UELFU205D1

/uploads/pic/pafw4xmjyj381_20251120080313.webp

UELFU205D1

Designations

UELFU205D1

Included products

Bearing UEL205D1 Bearing
Housing FU205D1 Housing

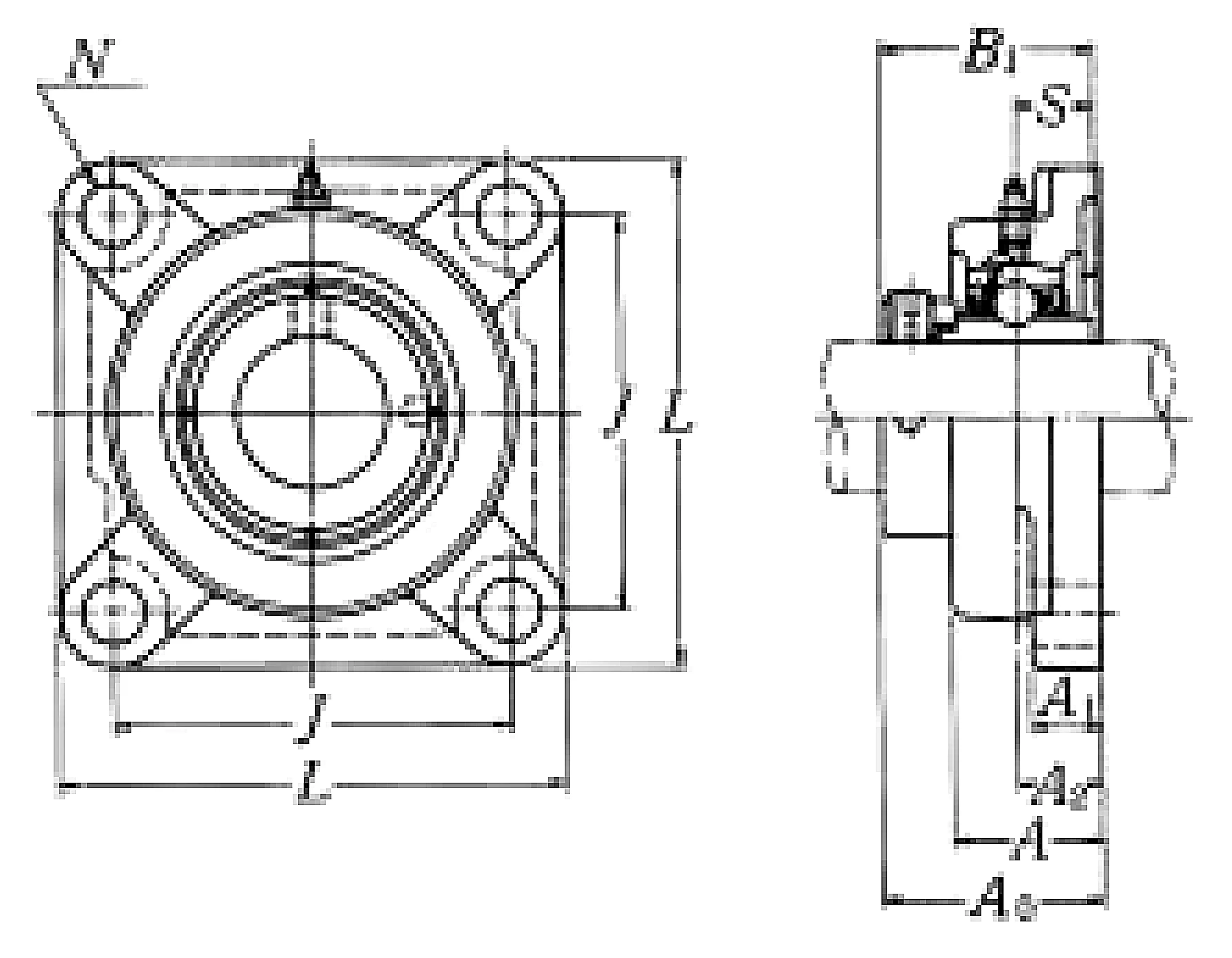
Nominal Dimensions

d 25 mm Bore diameter
L 96 mm Overall length
J 70 mm Distance between attachment bolts
N 11.5 mm Diameter of attachment bolt hole
A2 19 mm Flange width
A1 15 mm Flange width
A 30 mm Base width
A0 45.9 mm Overall width
B,B1,B2 44.4 mm Width of inner ring
S 17.45 mm Distance from Opposite side face of locking device to raceway centre

Mounting information

G M10 Bolt size

Basic Load Ratings

Cr 14 kN Basic dynamic load rating
C0r 7.85 kN Basic static load rating

Mass

mass 1 kg Mass approx.

Questions?

We are here to help.

admin@jfubearing.com

Get expert sales advice within 12 hours.

💬

+86-15961837791

Chat with us now for a quick response.

Contact us now to get a free quote or estimate.