UCPG307D1-

Time:2025-11-25Edit:JFU Bearing
UCPG307D1

UCPG307D1

/uploads/pic/f4gp23r1m2q959_20251120123327.webp

UCPG307D1

Designations

UCPG307D1

Included products

Bearing UC307D1 Bearing
Housing PG307D1 Housing

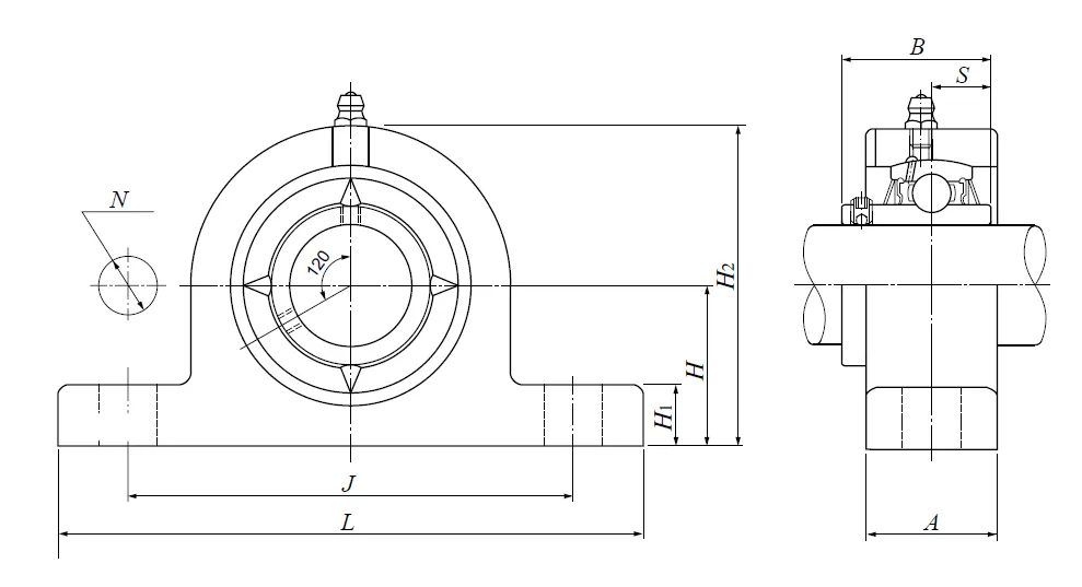
Nominal Dimensions

d 35 mm Bore diameter
L 210 mm Overall length
H 56 mm Height of spherical seat centre
J 160 mm Distance between attachment bolts
N 17 mm Diameter of attachment bolt hole
A 40 mm Base width
H1 20 mm Distance between bottoms of piloting grooves
B 48 mm Width of inner ring
S 19 mm Distance from Opposite side face of locking device to raceway centre
H2 106 mm Overall height

Mounting information

G M14 Bolt size

Basic Load Ratings

Cr 33.5 kN Basic dynamic load rating
C0r 19.1 kN Basic static load rating

Mass

mass 2.8 kg Mass approx.

Questions?

We are here to help.

admin@jfubearing.com

Get expert sales advice within 12 hours.

💬

+86-15961837791

Chat with us now for a quick response.

Contact us now to get a free quote or estimate.