UCPG306D1-

Time:2025-11-25Edit:JFU Bearing
UCPG306D1

UCPG306D1

/uploads/pic/ryrmiydvzsb265_20251119162951.webp

UCPG306D1

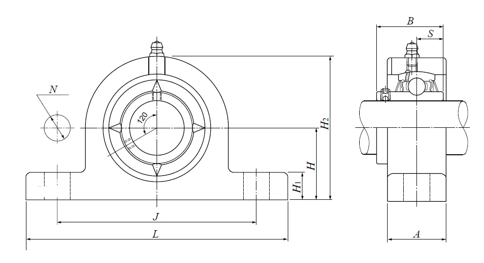
Designations

UCPG306D1

Included products

Bearing UC306D1 Bearing
Housing PG306D1 Housing

Nominal Dimensions

d 30 mm Bore diameter
L 180 mm Overall length
H 50 mm Height of spherical seat centre
J 140 mm Distance between attachment bolts
N 17 mm Diameter of attachment bolt hole
A 35 mm Base width
H1 18 mm Distance between bottoms of piloting grooves
B 43 mm Width of inner ring
S 17 mm Distance from Opposite side face of locking device to raceway centre
H2 95 mm Overall height

Mounting information

G M14 Bolt size

Basic Load Ratings

Cr 26.7 kN Basic dynamic load rating
C0r 15 kN Basic static load rating

Mass

mass 1.8 kg Mass approx.

Questions?

We are here to help.

admin@jfubearing.com

Get expert sales advice within 12 hours.

💬

+86-15961837791

Chat with us now for a quick response.

Contact us now to get a free quote or estimate.