ZM-UKP206D1-

Time:2025-11-25Edit:JFU Bearing
ZM-UKP206D1

ZM-UKP206D1

/uploads/pic/25gpdrahfo0187_20251119155054.webp

ZM-UKP206D1

Designations

ZM-UKP206D1

Included products

Bearing UK206D1 Bearing
Housing P206D1 Housing

Associated products

Adapter sleeve H2306X Adapter sleeve

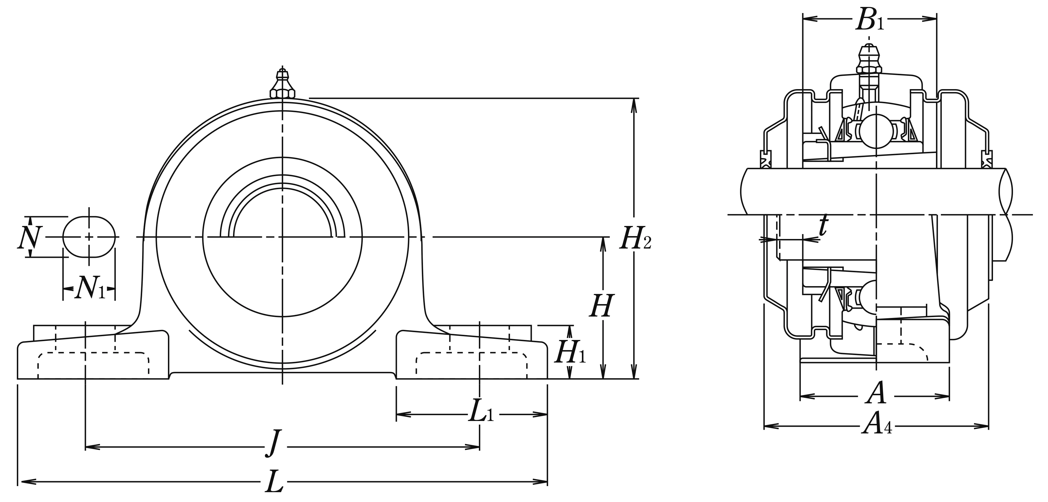
Nominal Dimensions

d 25 mm Bore diameter
N1 20 mm Length of attachment bolt hole
L 165 mm Overall length
H 42.9 mm Height of spherical seat centre
J 121 mm Distance between attachment bolts
N 17 mm Diameter of attachment bolt hole
A 48 mm Base width
A4 53 mm Width including end cover
t 2 mm Clearance
H1 17 mm Distance between bottoms of piloting grooves
B1 38 mm Width of inner ring
L1 54 mm Foot width
H2 83 mm Overall height

Mounting information

G M14 Bolt size

Basic Load Ratings

Cr 19.5 kN Basic dynamic load rating
C0r 11.3 kN Basic static load rating

Mass

mass 1.5 kg Mass approx.

Questions?

We are here to help.

admin@jfubearing.com

Get expert sales advice within 12 hours.

💬

+86-15961837791

Chat with us now for a quick response.

Contact us now to get a free quote or estimate.