UCP205D1-

Time:2025-11-25Edit:JFU Bearing
UCP205D1

UCP205D1

/uploads/pic/v4bhrmowse5165_20251119154523.webp

UCP205D1

Designations

UCP205D1

Included products

Bearing UC205D1 Bearing
Housing P205D1 Housing

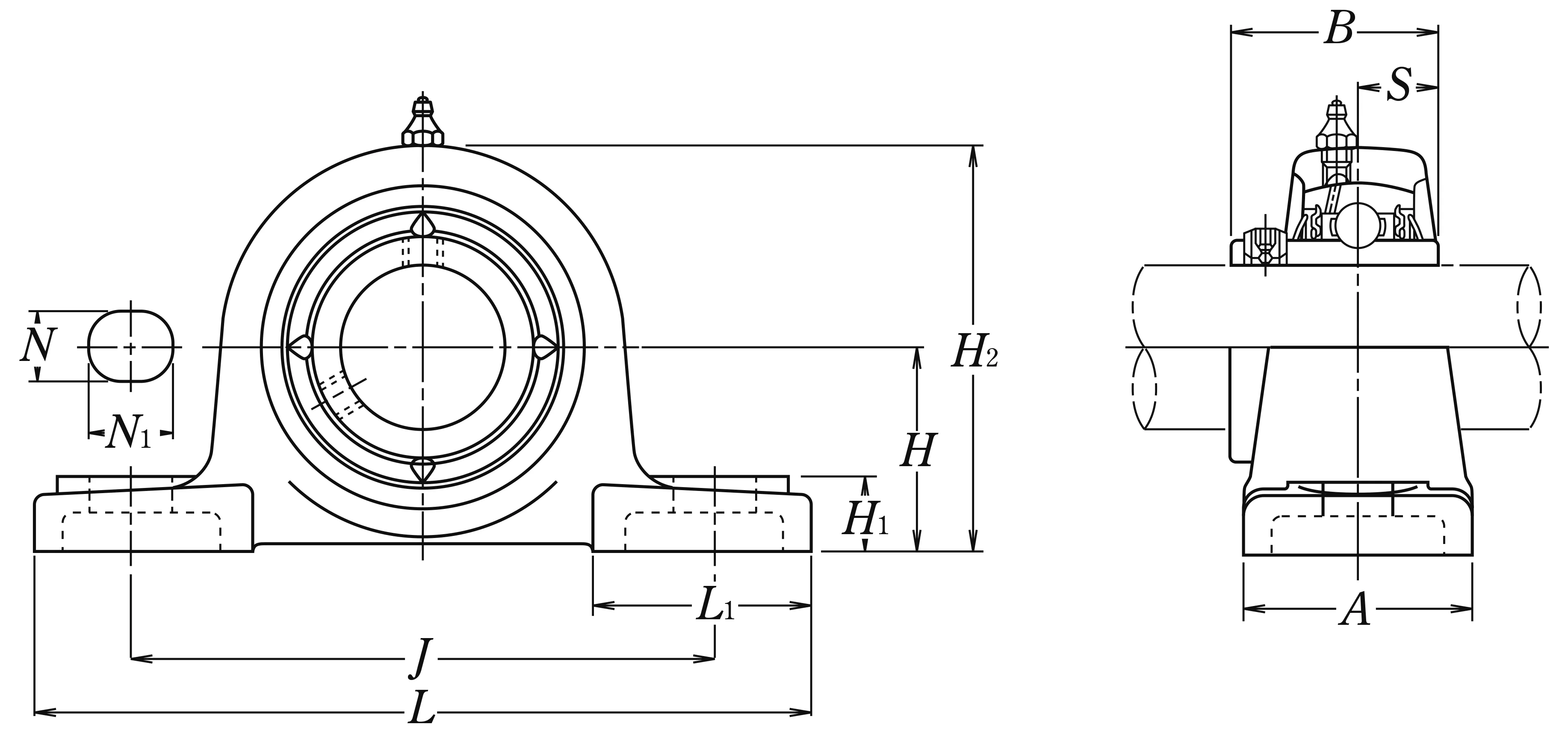
Nominal Dimensions

d 25 mm Bore diameter
N1 16 mm Length of attachment bolt hole
L 140 mm Overall length
H 36.5 mm Height of spherical seat centre
J 105 mm Distance between attachment bolts
N 13 mm Diameter of attachment bolt hole
A 38 mm Base width
H1 15 mm Distance between bottoms of piloting grooves
B 34.1 mm Width of inner ring
S 14.3 mm Distance from Opposite side face of locking device to raceway centre
L1 42 mm Foot width
H2 71 mm Overall height

Mounting information

G M10 Bolt size

Basic Load Ratings

Cr 14 kN Basic dynamic load rating
C0r 7.85 kN Basic static load rating

Mass

mass 0.8 kg Mass approx.

Questions?

We are here to help.

admin@jfubearing.com

Get expert sales advice within 12 hours.

💬

+86-15961837791

Chat with us now for a quick response.

Contact us now to get a free quote or estimate.