UKPE205D1-

Time:2025-11-25Edit:JFU Bearing
UKPE205D1

UKPE205D1

/uploads/pic/yjx4stfqd3j117_20251119152921.webp

UKPE205D1

Designations

UKPE205D1

Included products

Bearing UK205D1 Bearing
Housing PE205D1 Housing

Associated products

Adapter sleeve H2305X Adapter sleeve

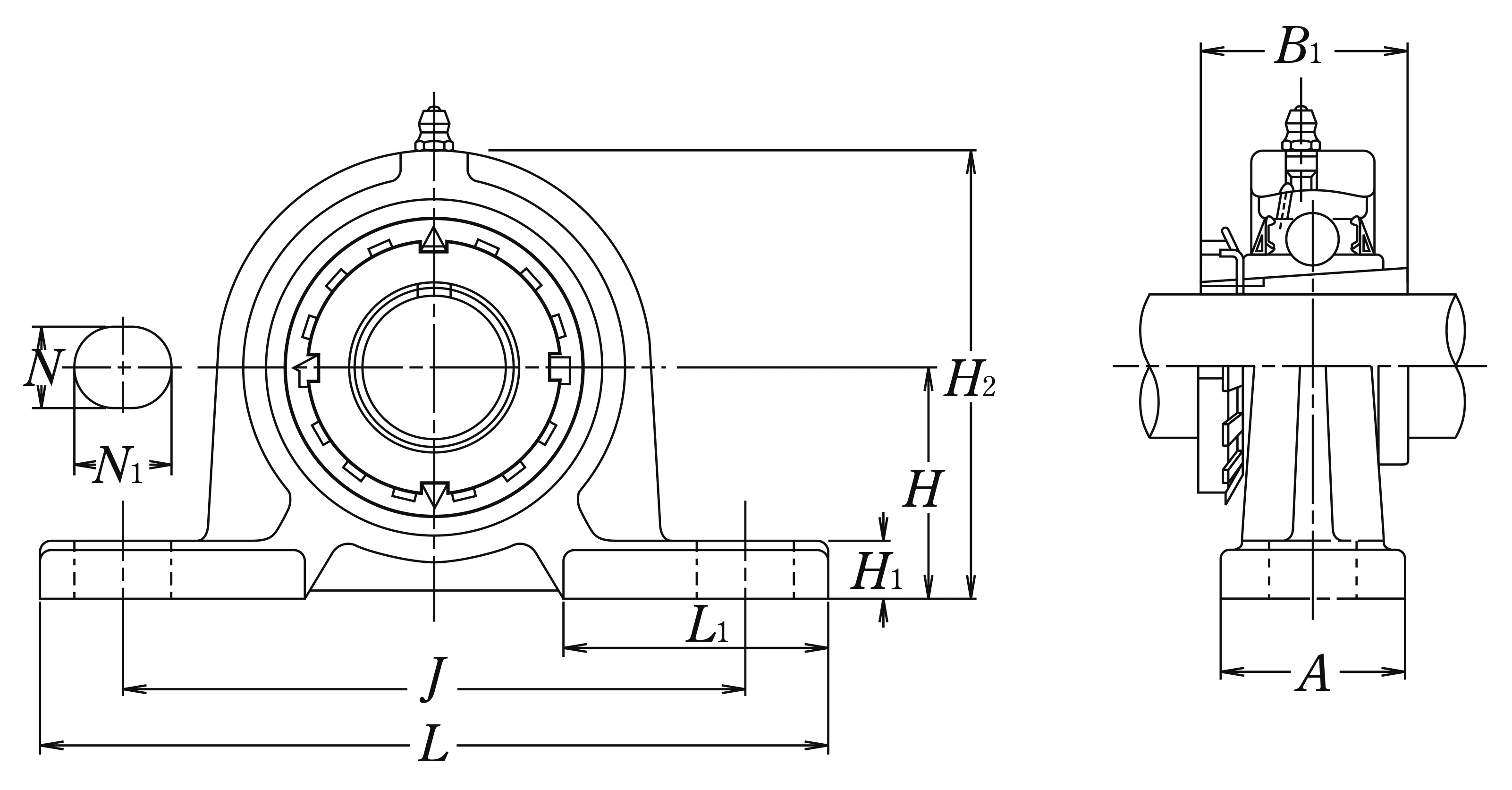
Nominal Dimensions

d 20 mm Bore diameter
N1 14 mm Length of attachment bolt hole
L 130 mm Overall length
H 36.5 mm Height of spherical seat centre
J 105 mm Distance between attachment bolts
N 12 mm Diameter of attachment bolt hole
A 30 mm Base width
H1 10 mm Distance between bottoms of piloting grooves
B1 35 mm Width of inner ring
L1 42 mm Foot width
H2 70 mm Overall height

Mounting information

G M10 Bolt size

Basic Load Ratings

Cr 14 kN Basic dynamic load rating
C0r 7.85 kN Basic static load rating

Mass

mass 0.6 kg Mass approx.

Questions?

We are here to help.

admin@jfubearing.com

Get expert sales advice within 12 hours.

💬

+86-15961837791

Chat with us now for a quick response.

Contact us now to get a free quote or estimate.