UCPG202D1-

Time:2025-11-25Edit:JFU Bearing
UCPG202D1

UCPG202D1

/uploads/pic/b5vlvj0d1vr45_20251119144506.webp

UCPG202D1

Designations

UCPG202D1

Included products

Bearing UC202D1 Bearing
Housing PG203D1 Housing

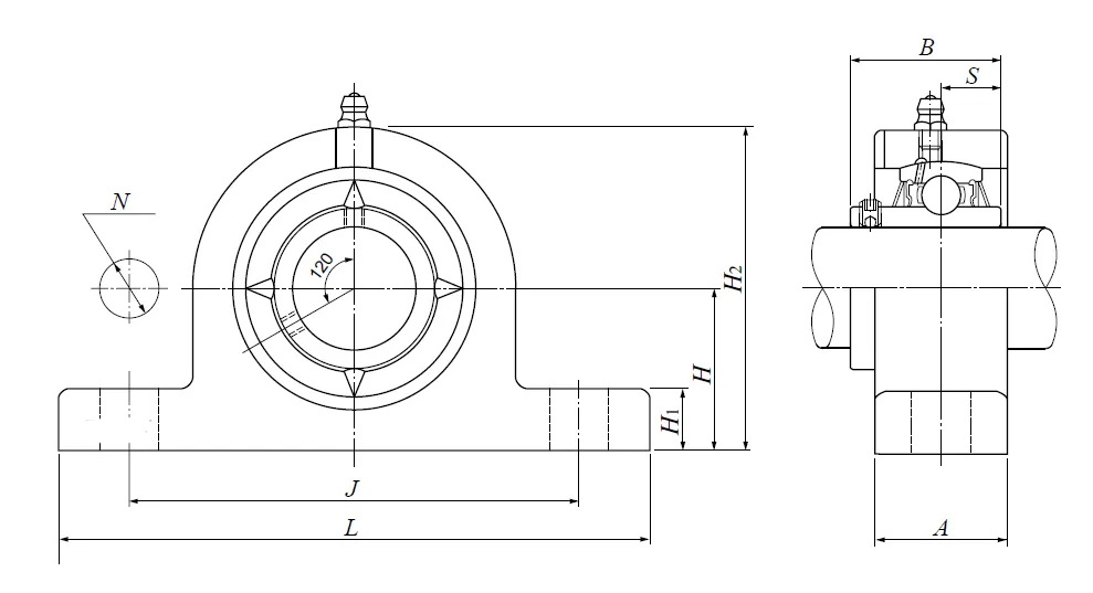
Nominal Dimensions

d 15 mm Bore diameter
L 127 mm Overall length
H 30.2 mm Height of spherical seat centre
J 95 mm Distance between attachment bolts
N 12 mm Diameter of attachment bolt hole
A 25 mm Base width
H1 14 mm Distance between bottoms of piloting grooves
B 31 mm Width of inner ring
S 12.7 mm Distance from Opposite side face of locking device to raceway centre
H2 62 mm Overall height

Mounting information

G M10 Bolt size

Basic Load Ratings

Cr 12.8 kN Basic dynamic load rating
C0r 6.65 kN Basic static load rating

Mass

mass 0.7 kg Mass approx.

Questions?

We are here to help.

admin@jfubearing.com

Get expert sales advice within 12 hours.

💬

+86-15961837791

Chat with us now for a quick response.

Contact us now to get a free quote or estimate.