ASRPP202-

Time:2025-11-25Edit:JFU Bearing
ASRPP202

ASRPP202

/uploads/pic/4jrwrkshmp133_20251119144232.webp

ASRPP202

Designations

ASRPP202

Included products

Bearing AS202 Bearing
Housing PP204 Housing
Rubber ring R201 Rubber ring

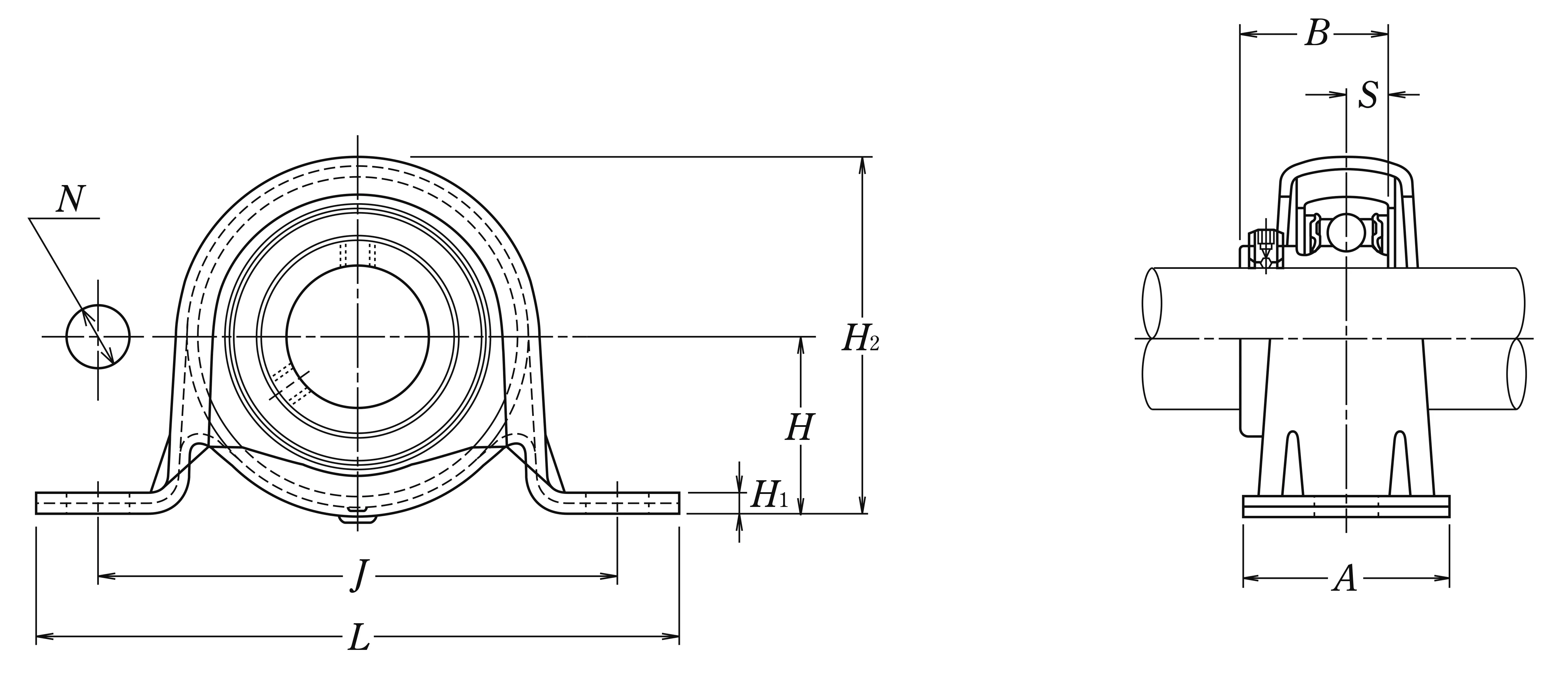
Nominal Dimensions

d 15 mm Bore diameter
L 98 mm Overall length
H 25.4 mm Height of spherical seat centre
J 76 mm Distance between attachment bolts
N 9.5 mm Diameter of attachment bolt hole
A 32 mm Base width
H1 3.2 mm Distance between bottoms of piloting grooves
B 22 mm Width of inner ring
S 6 mm Distance from Opposite side face of locking device to raceway centre
H2 3.2 mm Overall height

Mounting information

G M 8 Bolt size

Permissible housing load

CR 1 kN Radial
CA 0.2 kN Axial

Basic Load Ratings

Cr 9.6 kN Basic dynamic load rating
C0r 4.6 kN Basic static load rating

Mass

mass 0.2 kg Mass approx.

Questions?

We are here to help.

admin@jfubearing.com

Get expert sales advice within 12 hours.

💬

+86-15961837791

Chat with us now for a quick response.

Contact us now to get a free quote or estimate.