UCFL328D1-

Time:2025-11-25Edit:JFU Bearing
UCFL328D1

UCFL328D1

/uploads/pic/0pelmdhxw4y2283_20251120194058.webp

UCFL328D1

Designations

UCFL328D1

Included products

Bearing UC328D1 Bearing
Housing FL328D1 Housing

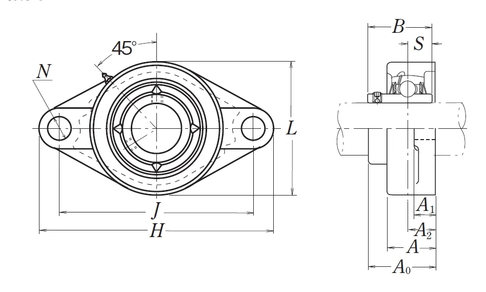
Nominal Dimensions

d 140 mm Bore diameter
L,L1 400 mm Overall height
J 500 mm Distance between attachment bolts
N 51 mm Diameter of attachment bolt hole
A2 75 mm Flange width
A1 60 mm Flange width
A 125 mm Base width
A0 161 mm Overall width
B,B1,B2 145 mm Width of inner ring
H 600 mm Overall length
S 59 mm Distance from Opposite side face of locking device to raceway centre

Mounting information

G M45 Bolt size

Basic Load Ratings

Cr 253 kN Basic dynamic load rating
C0r 246 kN Basic static load rating

Mass

mass 81 kg Mass approx.

Questions?

We are here to help.

admin@jfubearing.com

Get expert sales advice within 12 hours.

💬

+86-15961837791

Chat with us now for a quick response.

Contact us now to get a free quote or estimate.