UCFL322D1-

Time:2025-11-25Edit:JFU Bearing
UCFL322D1

UCFL322D1

/uploads/pic/s4wz3210agr2247_20251120192700.webp

UCFL322D1

Designations

UCFL322D1

Included products

Bearing UC322D1 Bearing
Housing FL322D1 Housing

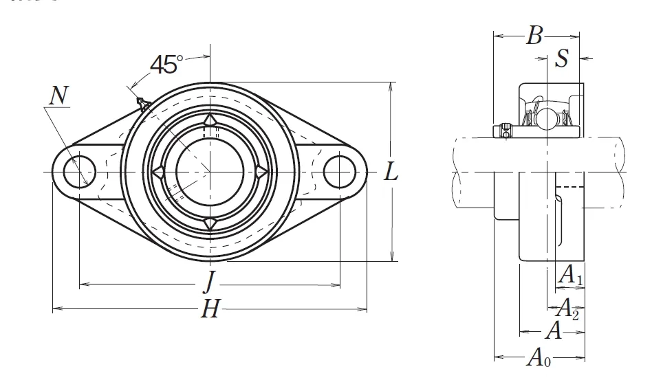
Nominal Dimensions

d 110 mm Bore diameter
L,L1 300 mm Overall height
J 390 mm Distance between attachment bolts
N 44 mm Diameter of attachment bolt hole
A2 60 mm Flange width
A1 42 mm Flange width
A 96 mm Base width
A0 131 mm Overall width
B,B1,B2 117 mm Width of inner ring
H 470 mm Overall length
S 46 mm Distance from Opposite side face of locking device to raceway centre

Mounting information

G M39 Bolt size

Basic Load Ratings

Cr 205 kN Basic dynamic load rating
C0r 179 kN Basic static load rating

Mass

mass 34 kg Mass approx.

Questions?

We are here to help.

admin@jfubearing.com

Get expert sales advice within 12 hours.

💬

+86-15961837791

Chat with us now for a quick response.

Contact us now to get a free quote or estimate.