UCFL321D1-

Time:2025-11-25Edit:JFU Bearing
UCFL321D1

UCFL321D1

/uploads/pic/5kzyp0csemc2241_20251120192552.webp

UCFL321D1

Designations

UCFL321D1

Included products

Bearing UC321D1 Bearing
Housing FL321D1 Housing

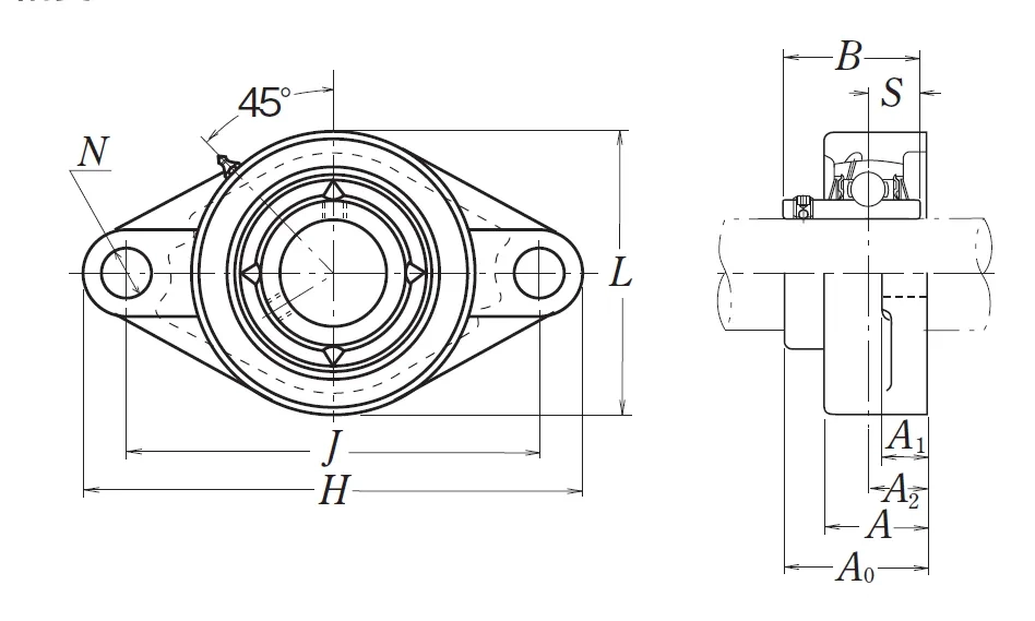
Nominal Dimensions

d 105 mm Bore diameter
L,L1 270 mm Overall height
J 360 mm Distance between attachment bolts
N 44 mm Diameter of attachment bolt hole
A2 59 mm Flange width
A1 40 mm Flange width
A 94 mm Base width
A0 127 mm Overall width
B,B1,B2 112 mm Width of inner ring
H 440 mm Overall length
S 44 mm Distance from Opposite side face of locking device to raceway centre

Mounting information

G M39 Bolt size

Basic Load Ratings

Cr 184 kN Basic dynamic load rating
C0r 153 kN Basic static load rating

Mass

mass 27 kg Mass approx.

Questions?

We are here to help.

admin@jfubearing.com

Get expert sales advice within 12 hours.

💬

+86-15961837791

Chat with us now for a quick response.

Contact us now to get a free quote or estimate.