UCFL218D1-

Time:2025-11-25Edit:JFU Bearing
UCFL218D1

UCFL218D1

/uploads/pic/3eqsmeb1u0r2205_20251120191929.webp

UCFL218D1

Designations

UCFL218D1

Included products

Bearing UC218D1 Bearing
Housing FL218D1 Housing

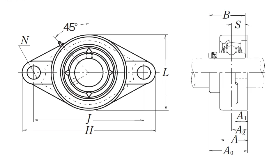
Nominal Dimensions

d 90 mm Bore diameter
L,L1 205 mm Overall height
J 265 mm Distance between attachment bolts
N 25 mm Diameter of attachment bolt hole
A2 40 mm Flange width
A1 24 mm Flange width
A 68 mm Base width
A0 96.3 mm Overall width
B,B1,B2 96 mm Width of inner ring
H 320 mm Overall length
S 39.7 mm Distance from Opposite side face of locking device to raceway centre

Mounting information

G M22 Bolt size

Basic Load Ratings

Cr 96 kN Basic dynamic load rating
C0r 71.5 kN Basic static load rating

Mass

mass 11 kg Mass approx.

Questions?

We are here to help.

admin@jfubearing.com

Get expert sales advice within 12 hours.

💬

+86-15961837791

Chat with us now for a quick response.

Contact us now to get a free quote or estimate.