UCFL217D1-

Time:2025-11-25Edit:JFU Bearing
UCFL217D1

UCFL217D1

/uploads/pic/c4yualaq2np2187_20251120191550.webp

UCFL217D1

Designations

UCFL217D1

Included products

Bearing UC217D1 Bearing
Housing FL217D1 Housing

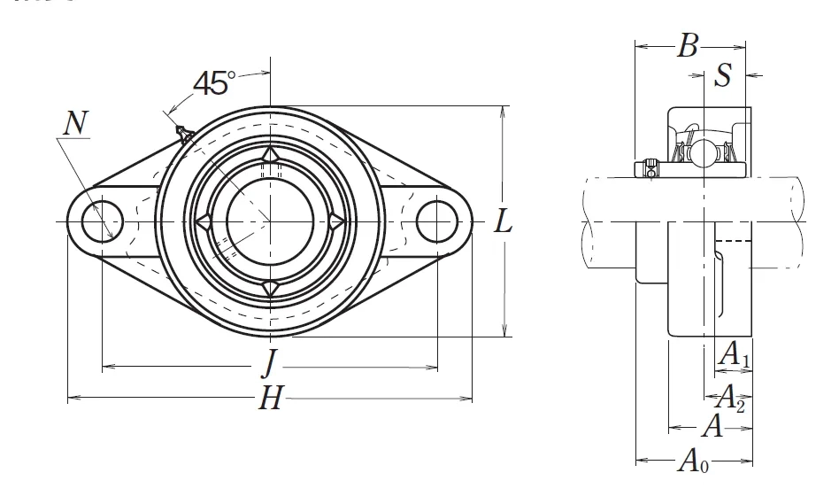
Nominal Dimensions

d 85 mm Bore diameter
L,L1 190 mm Overall height
J 248 mm Distance between attachment bolts
N 25 mm Diameter of attachment bolt hole
A2 36 mm Flange width
A1 24 mm Flange width
A 63 mm Base width
A0 87.5 mm Overall width
B,B1,B2 85.7 mm Width of inner ring
H 305 mm Overall length
S 34.1 mm Distance from Opposite side face of locking device to raceway centre

Mounting information

G M22 Bolt size

Basic Load Ratings

Cr 83.5 kN Basic dynamic load rating
C0r 64 kN Basic static load rating

Mass

mass 8.8 kg Mass approx.

Questions?

We are here to help.

admin@jfubearing.com

Get expert sales advice within 12 hours.

💬

+86-15961837791

Chat with us now for a quick response.

Contact us now to get a free quote or estimate.