UCFL315D1-

Time:2025-11-25Edit:JFU Bearing
UCFL315D1

UCFL315D1

/uploads/pic/eefhxbxnlsx2151_20251120190715.webp

UCFL315D1

Designations

UCFL315D1

Included products

Bearing UC315D1 Bearing
Housing FL315D1 Housing

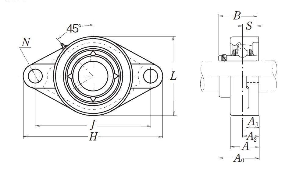
Nominal Dimensions

d 75 mm Bore diameter
L,L1 195 mm Overall height
J 260 mm Distance between attachment bolts
N 35 mm Diameter of attachment bolt hole
A2 39 mm Flange width
A1 30 mm Flange width
A 66 mm Base width
A0 89 mm Overall width
B,B1,B2 82 mm Width of inner ring
H 320 mm Overall length
S 32 mm Distance from Opposite side face of locking device to raceway centre

Mounting information

G M30 Bolt size

Basic Load Ratings

Cr 113 kN Basic dynamic load rating
C0r 77 kN Basic static load rating

Mass

mass 9.9 kg Mass approx.

Questions?

We are here to help.

admin@jfubearing.com

Get expert sales advice within 12 hours.

💬

+86-15961837791

Chat with us now for a quick response.

Contact us now to get a free quote or estimate.