UCFL215D1-

Time:2025-11-25Edit:JFU Bearing
UCFL215D1

UCFL215D1

/uploads/pic/tbpgbxtxuil2139_20251120190518.webp

UCFL215D1

Designations

UCFL215D1

Included products

Bearing UC215D1 Bearing
Housing FL215D1 Housing

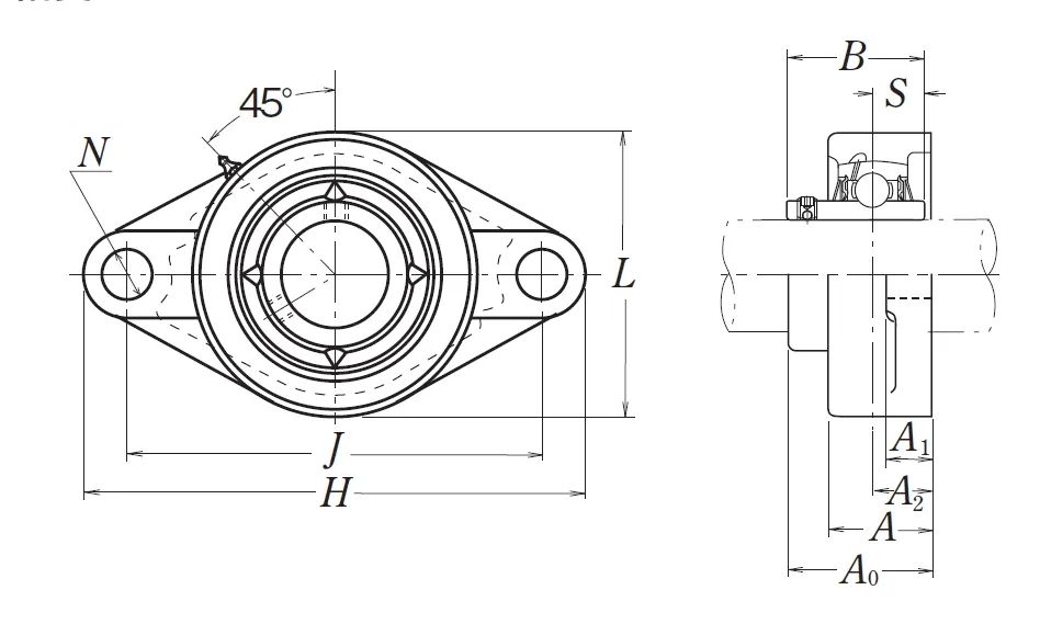
Nominal Dimensions

d 75 mm Bore diameter
L,L1 165 mm Overall height
J 225 mm Distance between attachment bolts
N 23 mm Diameter of attachment bolt hole
A2 34 mm Flange width
A1 22 mm Flange width
A 56 mm Base width
A0 78.5 mm Overall width
B,B1,B2 77.8 mm Width of inner ring
H 275 mm Overall length
S 33.3 mm Distance from Opposite side face of locking device to raceway centre

Mounting information

G M20 Bolt size

Basic Load Ratings

Cr 66 kN Basic dynamic load rating
C0r 49.5 kN Basic static load rating

Mass

mass 6 kg Mass approx.

Questions?

We are here to help.

admin@jfubearing.com

Get expert sales advice within 12 hours.

💬

+86-15961837791

Chat with us now for a quick response.

Contact us now to get a free quote or estimate.