UCFE212D1-

Time:2025-11-25Edit:JFU Bearing
UCFE212D1

UCFE212D1

/uploads/pic/x5tyk4uhjn22053_20251120184123.webp

UCFE212D1

Designations

UCFE212D1

Included products

Bearing UC212D1 Bearing
Housing FE212D1 Housing

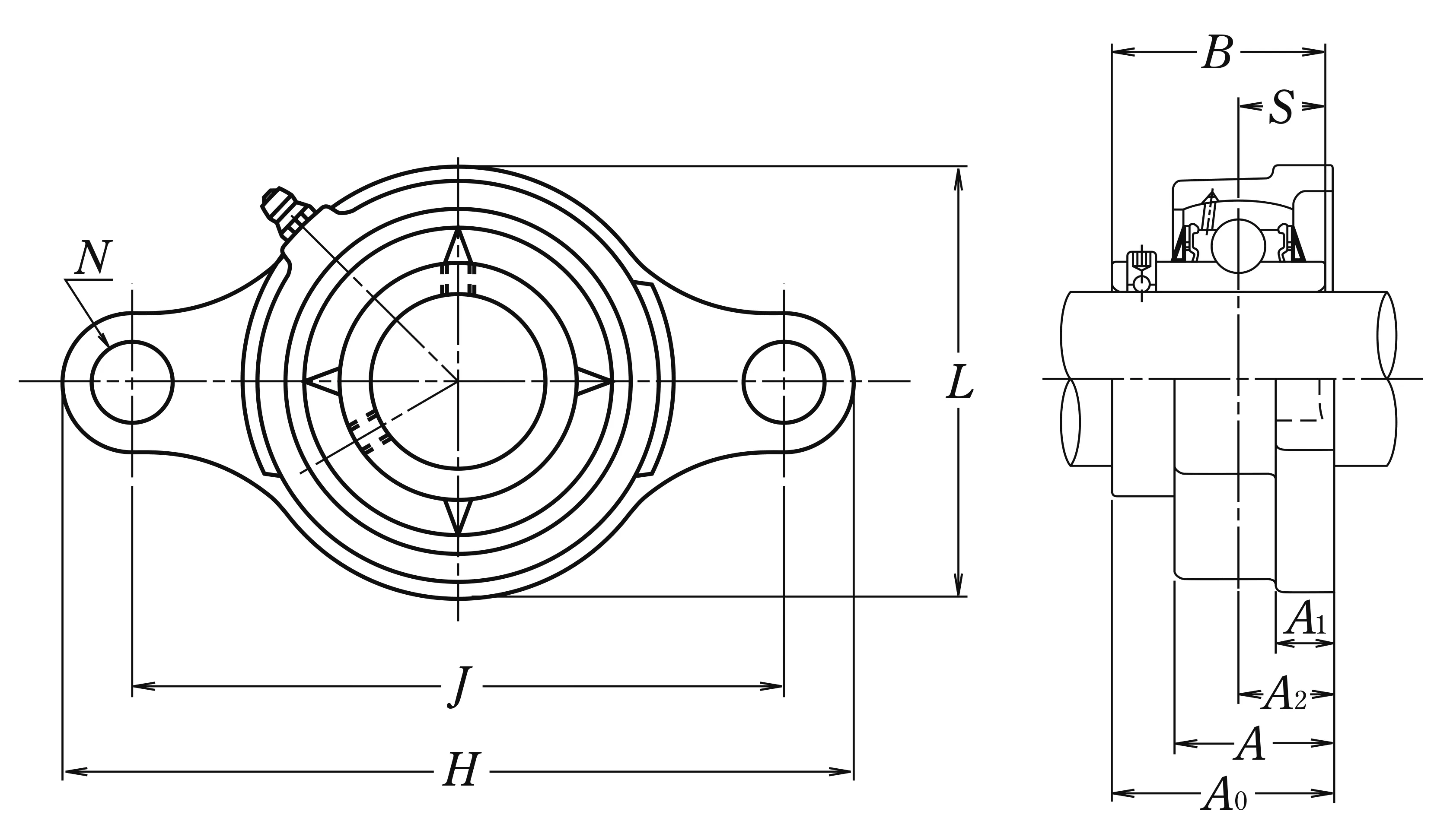
Nominal Dimensions

d 60 mm Bore diameter
L,L1 129 mm Overall height
J 202 mm Distance between attachment bolts
N 23 mm Diameter of attachment bolt hole
A2 29 mm Flange width
A1 18 mm Flange width
A 46 mm Base width
A0 68.7 mm Overall width
B,B1,B2 65.1 mm Width of inner ring
H 241 mm Overall length
S 25.4 mm Distance from Opposite side face of locking device to raceway centre

Mounting information

G M20 Bolt size

Basic Load Ratings

Cr 52.5 kN Basic dynamic load rating
C0r 36 kN Basic static load rating

Mass

mass 2.8 kg Mass approx.

Questions?

We are here to help.

admin@jfubearing.com

Get expert sales advice within 12 hours.

💬

+86-15961837791

Chat with us now for a quick response.

Contact us now to get a free quote or estimate.