UCFLX10D1-

Time:2025-11-25Edit:JFU Bearing
UCFLX10D1

UCFLX10D1

/uploads/pic/uwwzjulusd01985_20251120182252.webp

UCFLX10D1

Designations

UCFLX10D1

Included products

Bearing UCX10D1 Bearing
Housing FLX10D1 Housing

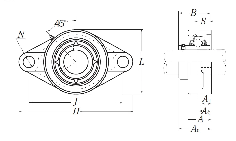
Nominal Dimensions

d 50 mm Bore diameter
L,L1 133 mm Overall height
J 184 mm Distance between attachment bolts
N 19 mm Diameter of attachment bolt hole
A2 26 mm Flange width
A1 18 mm Flange width
A 44 mm Base width
A0 59.4 mm Overall width
B,B1,B2 55.6 mm Width of inner ring
H 216 mm Overall length
S 22.2 mm Distance from Opposite side face of locking device to raceway centre

Mounting information

G M16 Bolt size

Basic Load Ratings

Cr 43.5 kN Basic dynamic load rating
C0r 29.2 kN Basic static load rating

Mass

mass 3 kg Mass approx.

Questions?

We are here to help.

admin@jfubearing.com

Get expert sales advice within 12 hours.

💬

+86-15961837791

Chat with us now for a quick response.

Contact us now to get a free quote or estimate.