UCFE209D1-

Time:2025-11-25Edit:JFU Bearing
UCFE209D1

UCFE209D1

/uploads/pic/znwo3nqafj31913_20251120180356.webp

UCFE209D1

Designations

UCFE209D1

Included products

Bearing UC209D1 Bearing
Housing FE209D1 Housing

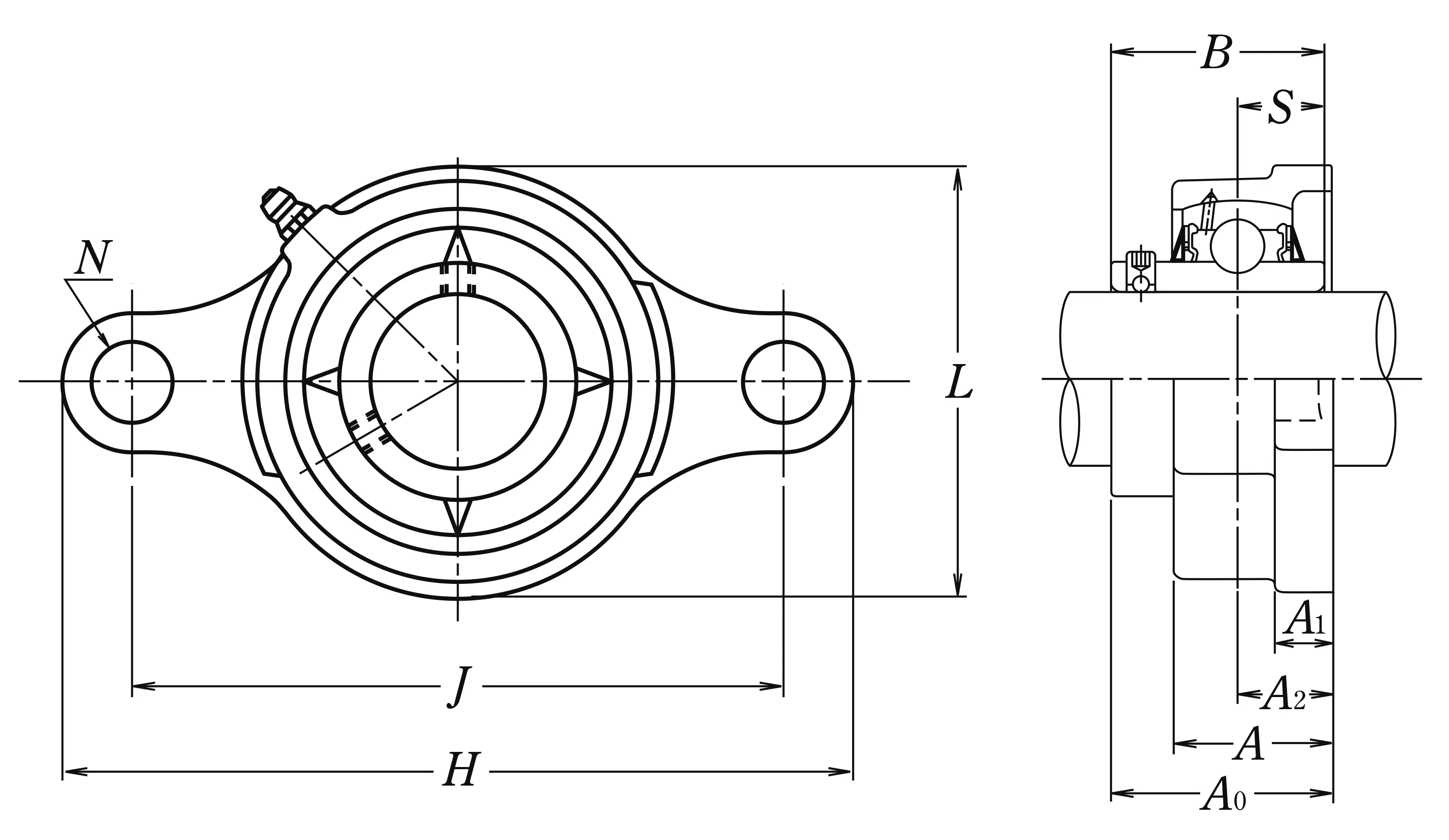
Nominal Dimensions

d 45 mm Bore diameter
L,L1 101 mm Overall height
J 148 mm Distance between attachment bolts
N 19 mm Diameter of attachment bolt hole
A2 22 mm Flange width
A1 13 mm Flange width
A 36 mm Base width
A0 52.2 mm Overall width
B,B1,B2 49.2 mm Width of inner ring
H 180 mm Overall length
S 19 mm Distance from Opposite side face of locking device to raceway centre

Mounting information

G M16 Bolt size

Basic Load Ratings

Cr 32.5 kN Basic dynamic load rating
C0r 20.4 kN Basic static load rating

Mass

mass 1.3 kg Mass approx.

Questions?

We are here to help.

admin@jfubearing.com

Get expert sales advice within 12 hours.

💬

+86-15961837791

Chat with us now for a quick response.

Contact us now to get a free quote or estimate.