UCFH209D1-

Time:2025-11-25Edit:JFU Bearing
UCFH209D1

UCFH209D1

/uploads/pic/eevxcqhqasc1909_20251120175801.webp

UCFH209D1

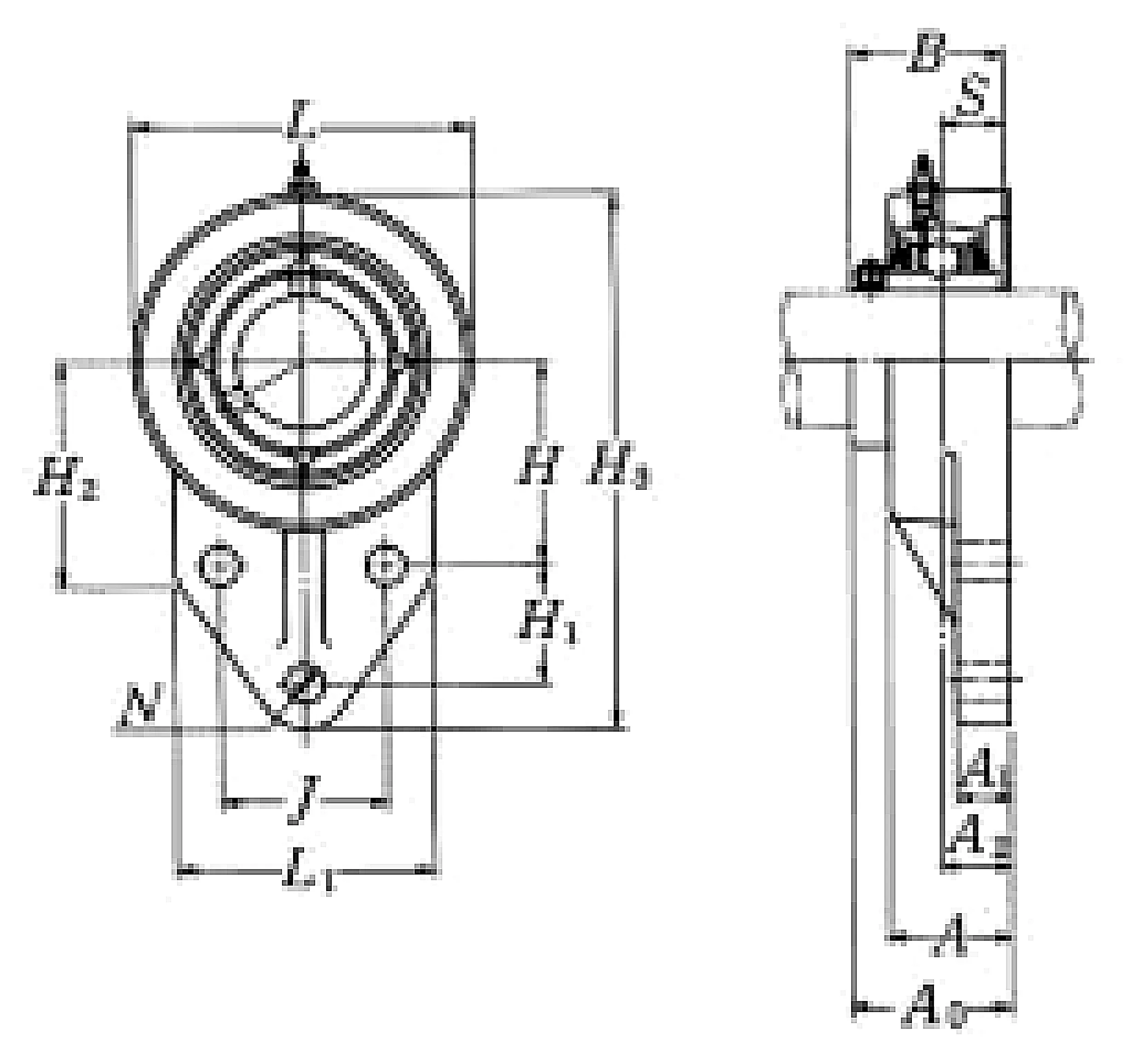
Designations

UCFH209D1

Included products

Bearing UC209D1 Bearing
Housing FH209D1 Housing

Nominal Dimensions

d 45 mm Bore diameter
L,L1 106 mm Overall height
H 65 mm Height of spherical seat centre
H3 174 mm Overall height
J 54 mm Distance between attachment bolts
N 12 mm Diameter of attachment bolt hole
A2 22 mm Flange width
A1 18 mm Flange width
A 38 mm Base width
A0 52.2 mm Overall width
B,B1,B2 49.2 mm Width of inner ring
H1 43 mm Distance between attachment bolt holes
S 19 mm Distance from Opposite side face of locking device to raceway centre
L1 80 mm Foot width

Mounting information

G M10 Bolt size

Basic Load Ratings

Cr 32.5 kN Basic dynamic load rating
C0r 20.4 kN Basic static load rating

Mass

mass 2.1 kg Mass approx.

Questions?

We are here to help.

admin@jfubearing.com

Get expert sales advice within 12 hours.

💬

+86-15961837791

Chat with us now for a quick response.

Contact us now to get a free quote or estimate.