UCFL308D1-

Time:2025-11-25Edit:JFU Bearing
UCFL308D1

UCFL308D1

/uploads/pic/c4lz4kmjaot1897_20251120175025.webp

UCFL308D1

Designations

UCFL308D1

Included products

Bearing UC308D1 Bearing
Housing FL308D1 Housing

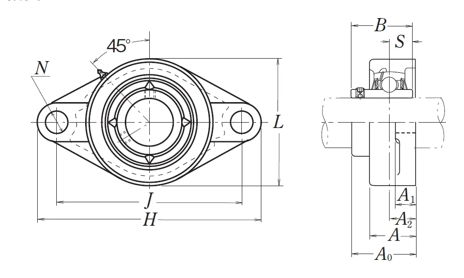
Nominal Dimensions

d 40 mm Bore diameter
L,L1 112 mm Overall height
J 158 mm Distance between attachment bolts
N 23 mm Diameter of attachment bolt hole
A2 23 mm Flange width
A1 17 mm Flange width
A 40 mm Base width
A0 56 mm Overall width
B,B1,B2 52 mm Width of inner ring
H 200 mm Overall length
S 19 mm Distance from Opposite side face of locking device to raceway centre

Mounting information

G M20 Bolt size

Basic Load Ratings

Cr 40.5 kN Basic dynamic load rating
C0r 24 kN Basic static load rating

Mass

mass 2.2 kg Mass approx.

Questions?

We are here to help.

admin@jfubearing.com

Get expert sales advice within 12 hours.

💬

+86-15961837791

Chat with us now for a quick response.

Contact us now to get a free quote or estimate.