UCFE203D1-

Time:2025-11-25Edit:JFU Bearing
UCFE203D1

UCFE203D1

/uploads/pic/wxsp0bqfwbm1709_20251120165252.webp

UCFE203D1

Designations

UCFE203D1

Included products

Bearing UC203D1 Bearing
Housing FE204D1 Housing

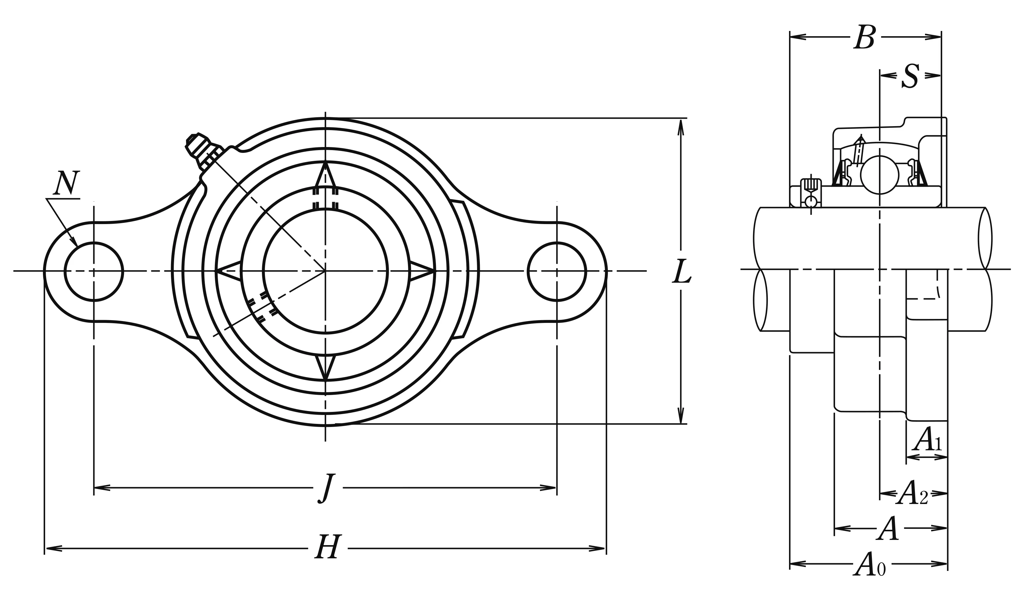
Nominal Dimensions

d 17 mm Bore diameter
L,L1 57 mm Overall height
J 90 mm Distance between attachment bolts
N 12 mm Diameter of attachment bolt hole
A2 15 mm Flange width
A1 10 mm Flange width
A 25 mm Base width
A0 33.3 mm Overall width
B,B1,B2 31 mm Width of inner ring
H 112 mm Overall length
S 12.7 mm Distance from Opposite side face of locking device to raceway centre

Mounting information

G M10 Bolt size

Basic Load Ratings

Cr 12.8 kN Basic dynamic load rating
C0r 6.65 kN Basic static load rating

Mass

mass 0.4 kg Mass approx.

Questions?

We are here to help.

admin@jfubearing.com

Get expert sales advice within 12 hours.

💬

+86-15961837791

Chat with us now for a quick response.

Contact us now to get a free quote or estimate.