CSFB203LLU-

Time:2025-11-25Edit:JFU Bearing
CSFB203LLU

CSFB203LLU

/uploads/pic/pllqydoyaun1701_20251120165036.webp

CSFB203LLU

Designations

CSFB203LLU

Included products

Bearing CS203LLU Bearing
Housing FB201 Housing

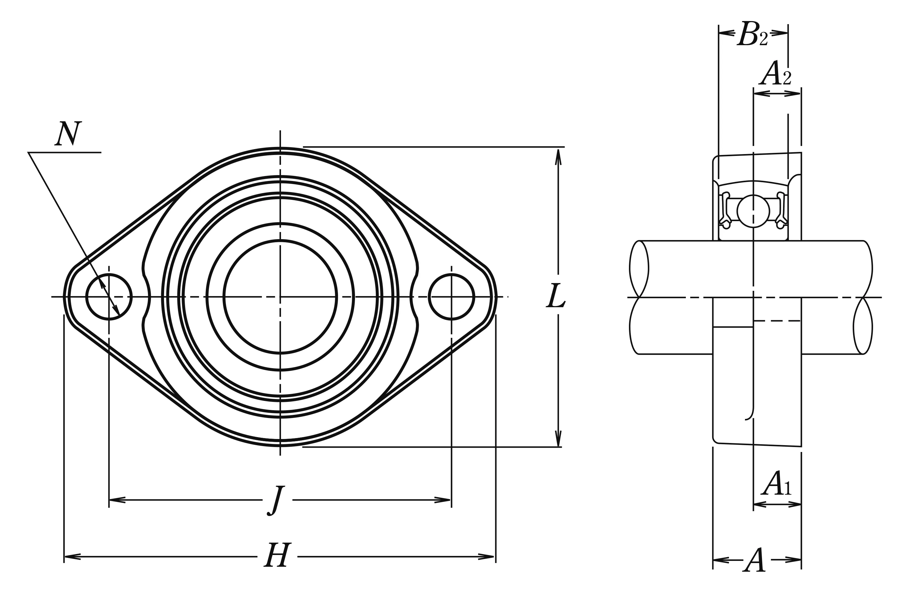
Nominal Dimensions

d 17 mm Bore diameter
L,L1 56 mm Overall height
J 63.5 mm Distance between attachment bolts
N 7 mm Diameter of attachment bolt hole
A2 9.5 mm Flange width
A1 9.5 mm Flange width
A 18 mm Base width
B,B1,B2 12 mm Width of inner ring
H 81 mm Overall length
S 6 mm Distance from Opposite side face of locking device to raceway centre

Mounting information

G M6 Bolt size

Basic Load Ratings

Cr 9.6 kN Basic dynamic load rating
C0r 4.6 kN Basic static load rating

Mass

mass 0.2 kg Mass approx.

Questions?

We are here to help.

admin@jfubearing.com

Get expert sales advice within 12 hours.

💬

+86-15961837791

Chat with us now for a quick response.

Contact us now to get a free quote or estimate.