UEL319D1 Series-

Time:2025-11-25Edit:JFU Bearing
UEL319D1 Series

UEL319D1 Series

/uploads/pic/db11b2i1kyd2897_20251120225929.webp

UEL319D1 Series

Designations

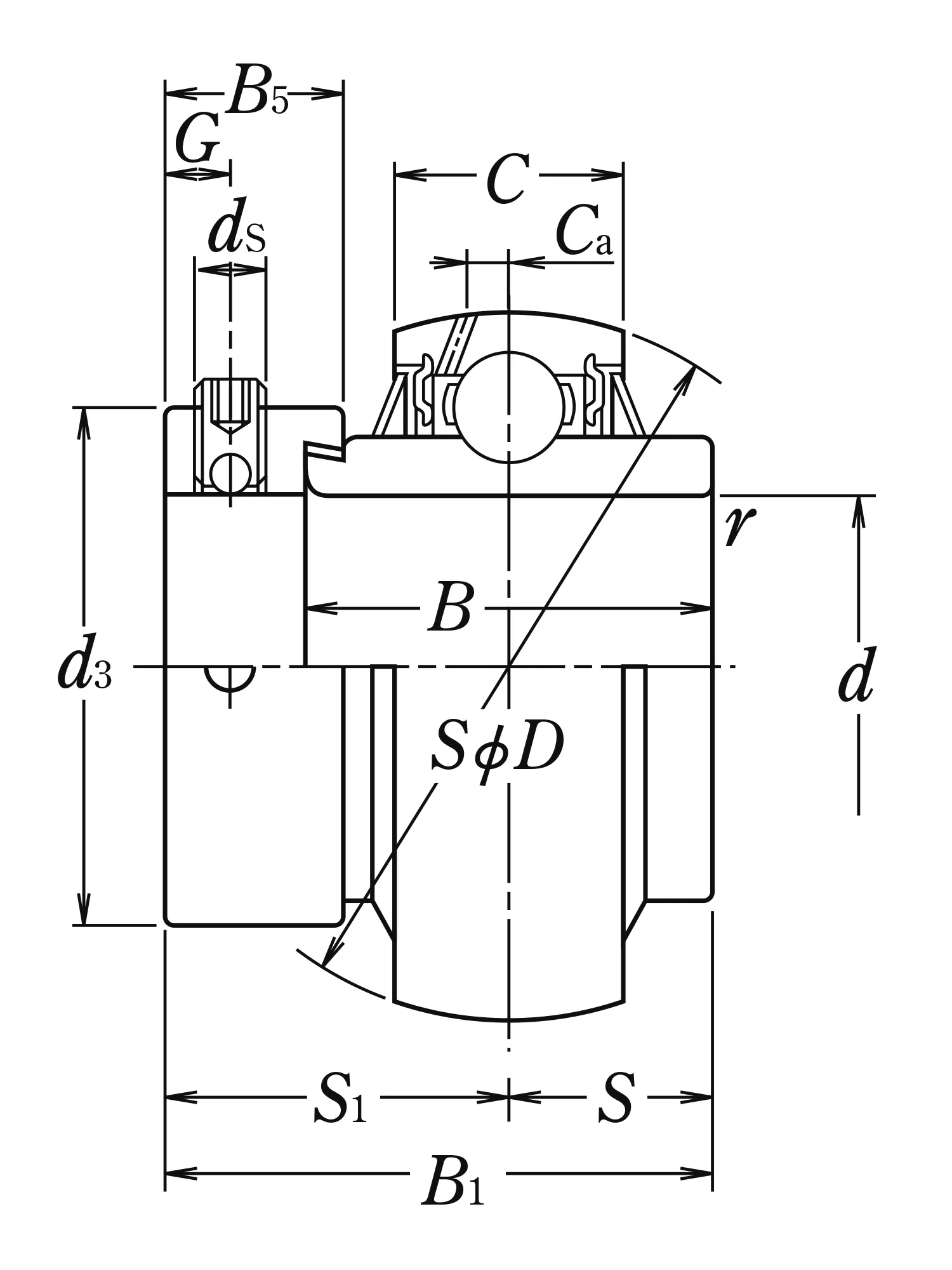
UEL319D1

Included products

Bearing UEL319D1 Bearing

Nominal Dimensions

d 95 mm Bore diameter
D 200 mm Outside diameter
B1 122.3 mm Overall bearing width
B,B4 93.7 mm Width of inner ring
C 51 mm Outer ring width
r(min.) 3 mm Chamfer dimension
S1 83.4 mm Distance from locking device side face to raceway centre
G 14.3 mm Distance face to thread centre
ds M20×1.5 Set screw
Ca 12.7 mm Distance from oil hole centre to raceway centre
d3 140 mm Outside diameter of locking collar
B5 36.5 mm Width of locking collar

Basic Load Ratings

Cr 153 kN Basic dynamic load rating
C0r 119 kN Basic static load rating

Mass

Mass approx. 10.4 kg Mass approx.

Questions?

We are here to help.

admin@jfubearing.com

Get expert sales advice within 12 hours.

💬

+86-15961837791

Chat with us now for a quick response.

Contact us now to get a free quote or estimate.