UELS318 Series-

Time:2025-11-25Edit:JFU Bearing
UELS318 Series

UELS318 Series

/uploads/pic/g1aatub2nzf2889_20251120225829.webp

UELS318 Series

Designations

UELS318

Included products

Bearing UELS318 Bearing

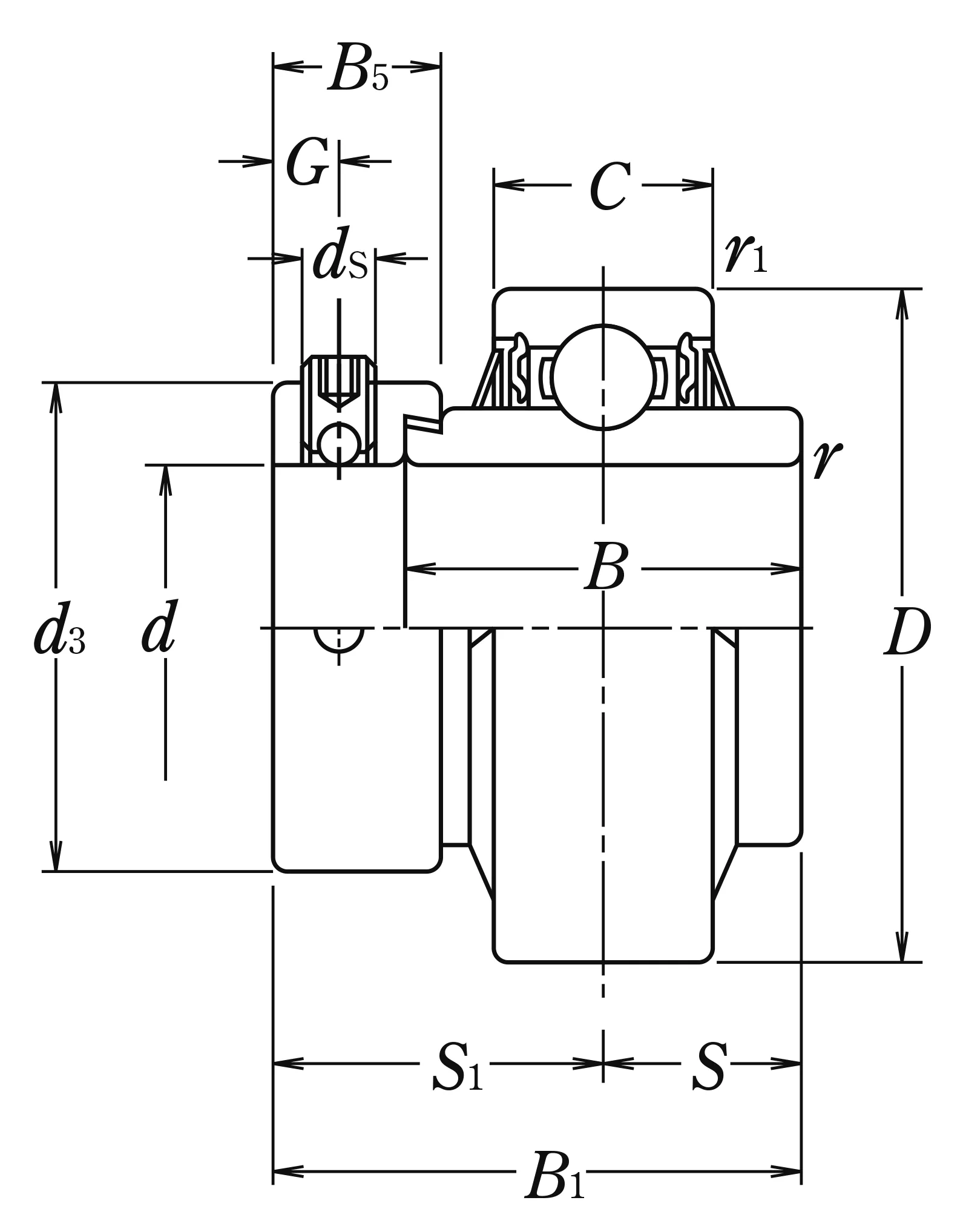
Nominal Dimensions

d 90 mm Bore diameter
D 190 mm Outside diameter
B1 115.9 mm Overall bearing width
B,B4 87.3 mm Width of inner ring
C 49 mm Outer ring width
r(min.) 3 mm Chamfer dimension
r1(min.) 2.5 mm Chamfer dimension
S1 72.25 mm Distance from locking device side face to raceway centre
G 14.3 mm Distance face to thread centre
ds M20×1.5 Set screw
d3 133 mm Outside diameter of locking collar
B5 36.5 mm Width of locking collar

Basic Load Ratings

Cr 143 kN Basic dynamic load rating
C0r 107 kN Basic static load rating

Mass

Mass approx. 9.34 kg Mass approx.

Questions?

We are here to help.

admin@jfubearing.com

Get expert sales advice within 12 hours.

💬

+86-15961837791

Chat with us now for a quick response.

Contact us now to get a free quote or estimate.