UCX18D1 Series-

Time:2025-11-25Edit:JFU Bearing
UCX18D1 Series

UCX18D1 Series

/uploads/pic/aau0wknoqxd2881_20251120225722.webp

UCX18D1 Series

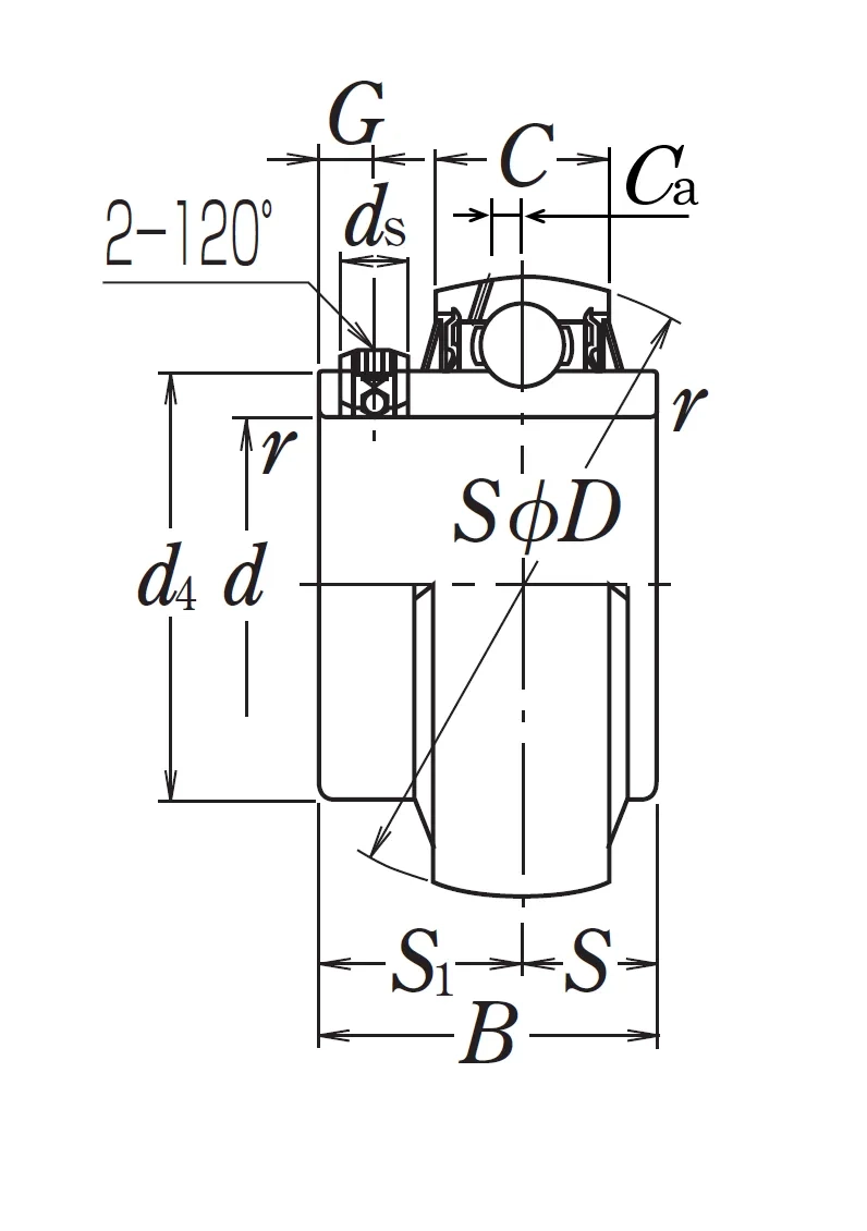
Designations

UCX18D1

Included products

Bearing UCX18D1 Bearing

Nominal Dimensions

d 90 mm Bore diameter
D 170 mm Outside diameter
B,B4 104 mm Width of inner ring
C 39 mm Outer ring width
r(min.) 2.5 mm Chamfer dimension
S1 61.1 mm Distance from locking device side face to raceway centre
G 14 mm Distance face to thread centre
ds M14×1.5 Set screw
Ca 9 mm Distance from oil hole centre to raceway centre
d4 118.2 mm Outside diameter of inner ring

Basic Load Ratings

Cr 109 kN Basic dynamic load rating
C0r 82 kN Basic static load rating

Mass

Mass approx. 5.5 kg Mass approx.

Questions?

We are here to help.

admin@jfubearing.com

Get expert sales advice within 12 hours.

💬

+86-15961837791

Chat with us now for a quick response.

Contact us now to get a free quote or estimate.