UC318-308D1 Series-

Time:2025-11-25Edit:JFU Bearing
UC318-308D1 Series

UC318-308D1 Series

/uploads/pic/4cppg3gl4d42869_20251120225540.webp

UC318-308D1 Series

Designations

UC318-308D1

Included products

Bearing UC318-308D1 Bearing

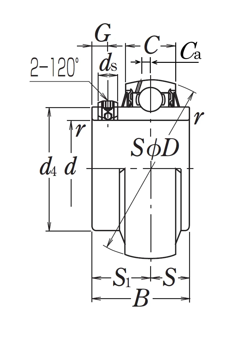
Nominal Dimensions

d 88.9 mm Bore diameter
D 190 mm Outside diameter
B,B4 96 mm Width of inner ring
C 49 mm Outer ring width
r(min.) 3 mm Chamfer dimension
S1 56 mm Distance from locking device side face to raceway centre
G 16 mm Distance face to thread centre
ds 9/8-19UNF Set screw
Ca 12.2 mm Distance from oil hole centre to raceway centre
d4 120.9 mm Outside diameter of inner ring

Basic Load Ratings

Cr 143 kN Basic dynamic load rating
C0r 107 kN Basic static load rating

Mass

Mass approx. 7.72 kg Mass approx.

Questions?

We are here to help.

admin@jfubearing.com

Get expert sales advice within 12 hours.

💬

+86-15961837791

Chat with us now for a quick response.

Contact us now to get a free quote or estimate.