UELS317 Series-

Time:2025-11-25Edit:JFU Bearing
UELS317 Series

UELS317 Series

/uploads/pic/mpx355qugq52859_20251120225404.webp

UELS317 Series

Designations

UELS317

Included products

Bearing UELS317 Bearing

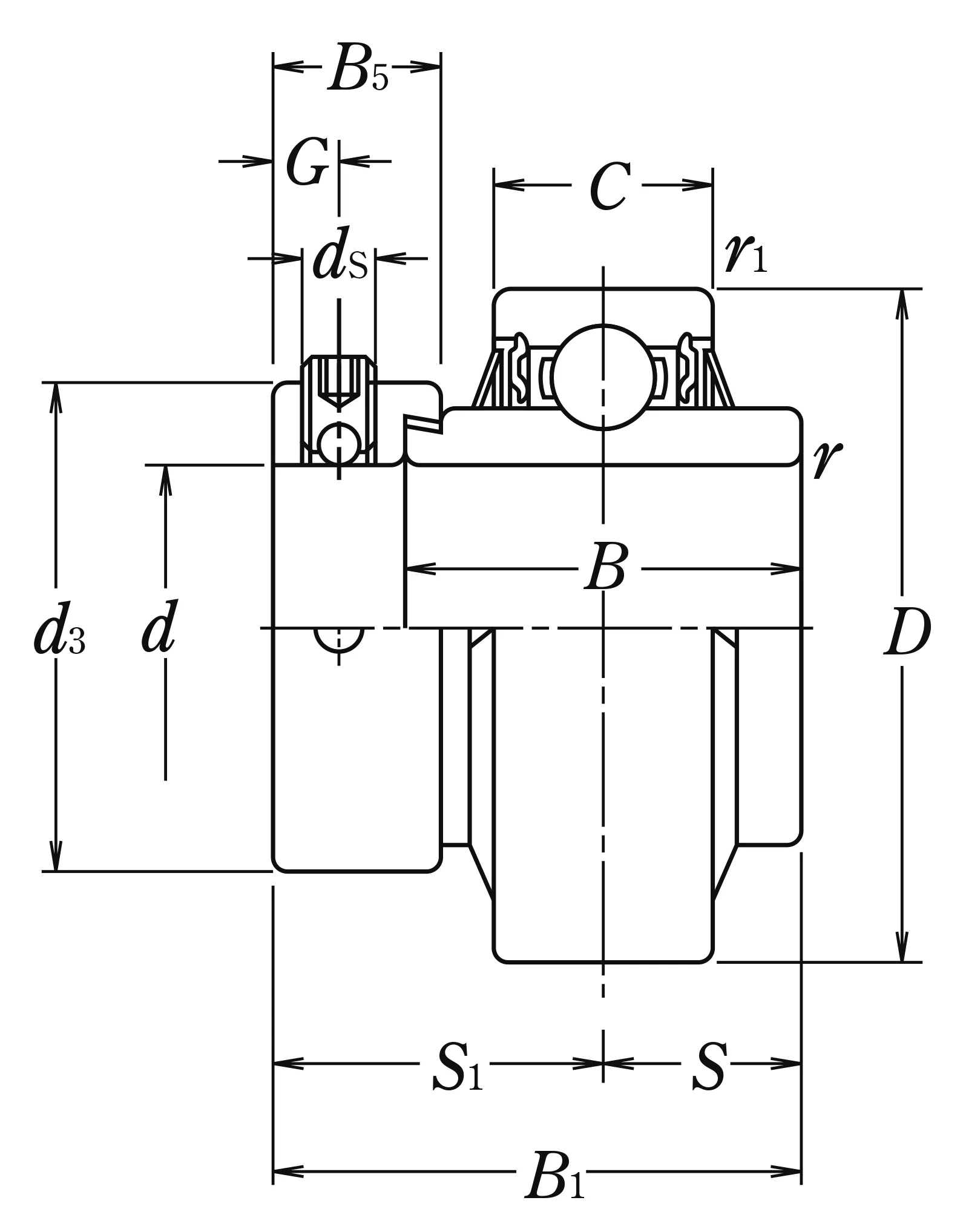
Nominal Dimensions

d 85 mm Bore diameter
D 180 mm Outside diameter
B1 109.5 mm Overall bearing width
B,B4 84.1 mm Width of inner ring
C 47 mm Outer ring width
r(min.) 3 mm Chamfer dimension
r1(min.) 2.5 mm Chamfer dimension
S1 67.45 mm Distance from locking device side face to raceway centre
G 12.7 mm Distance face to thread centre
ds M16×1.5 Set screw
d3 127 mm Outside diameter of locking collar
B5 31.8 mm Width of locking collar

Basic Load Ratings

Cr 133 kN Basic dynamic load rating
C0r 97 kN Basic static load rating

Mass

Mass approx. 8.21 kg Mass approx.

Questions?

We are here to help.

admin@jfubearing.com

Get expert sales advice within 12 hours.

💬

+86-15961837791

Chat with us now for a quick response.

Contact us now to get a free quote or estimate.