UC216-302D1 Series-

Time:2025-11-25Edit:JFU Bearing
UC216-302D1 Series

UC216-302D1 Series

/uploads/pic/xrepc5vfy0o2807_20251120221831.webp

UC216-302D1 Series

Designations

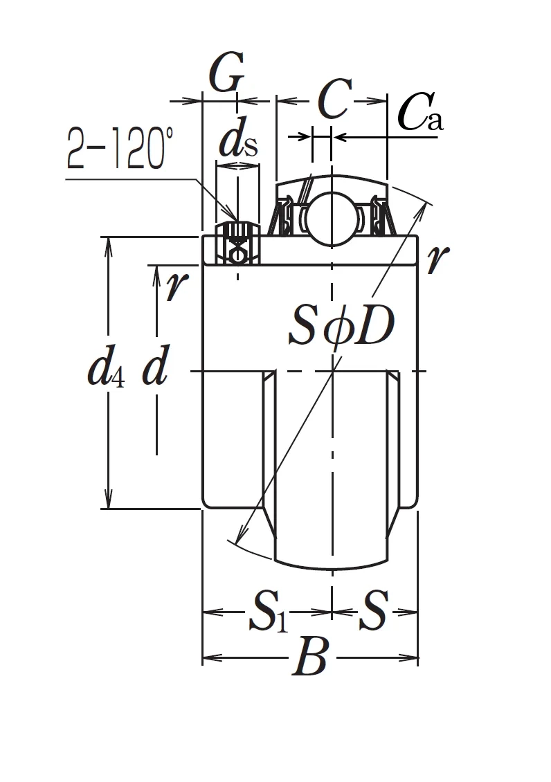
UC216-302D1

Included products

Bearing UC216-302D1 Bearing

Nominal Dimensions

d 79.375 mm Bore diameter
D 140 mm Outside diameter
B,B4 82.6 mm Width of inner ring
C 35 mm Outer ring width
r(min.) 2.5 mm Chamfer dimension
S1 49.3 mm Distance from locking device side face to raceway centre
G 12 mm Distance face to thread centre
ds 3/8-24UNF Set screw
Ca 8 mm Distance from oil hole centre to raceway centre
d4 98.1 mm Outside diameter of inner ring

Basic Load Ratings

Cr 72.5 kN Basic dynamic load rating
C0r 53 kN Basic static load rating

Mass

Mass approx. 2.83 kg Mass approx.

Questions?

We are here to help.

admin@jfubearing.com

Get expert sales advice within 12 hours.

💬

+86-15961837791

Chat with us now for a quick response.

Contact us now to get a free quote or estimate.