UCX13D1 Series-

Time:2025-11-25Edit:JFU Bearing
UCX13D1 Series

UCX13D1 Series

/uploads/pic/f3gepabmjsq2739_20251120220159.webp

UCX13D1 Series

Designations

UCX13D1

Included products

Bearing UCX13D1 Bearing

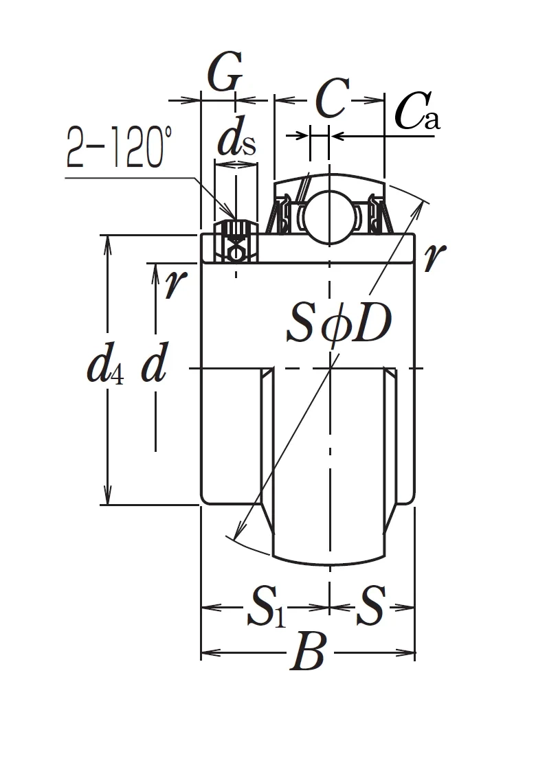
Nominal Dimensions

d 65 mm Bore diameter
D 125 mm Outside diameter
B,B4 74.6 mm Width of inner ring
C 33 mm Outer ring width
r(min.) 2 mm Chamfer dimension
S1 44.4 mm Distance from locking device side face to raceway centre
G 12 mm Distance face to thread centre
ds M12×1.5 Set screw
Ca 7.7 mm Distance from oil hole centre to raceway centre
d4 87 mm Outside diameter of inner ring

Basic Load Ratings

Cr 62 kN Basic dynamic load rating
C0r 44 kN Basic static load rating

Mass

Mass approx. 2.45 kg Mass approx.

Questions?

We are here to help.

admin@jfubearing.com

Get expert sales advice within 12 hours.

💬

+86-15961837791

Chat with us now for a quick response.

Contact us now to get a free quote or estimate.