UELS311 Series-

Time:2025-11-25Edit:JFU Bearing
UELS311 Series

UELS311 Series

/uploads/pic/uczaaaxzfvy2677_20251120214752.webp

UELS311 Series

Designations

UELS311

Included products

Bearing UELS311 Bearing

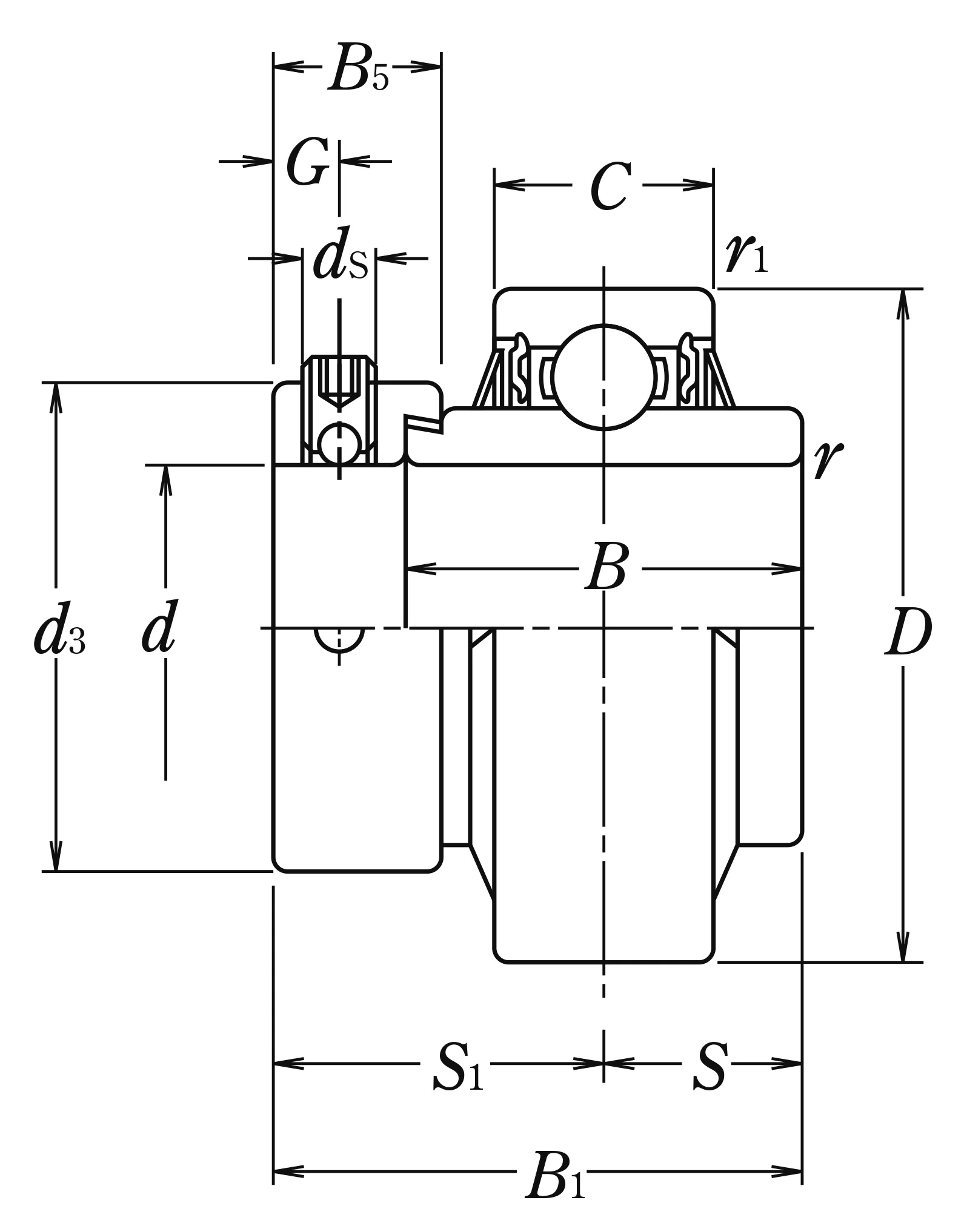
Nominal Dimensions

d 55 mm Bore diameter
D 120 mm Outside diameter
B1 73 mm Overall bearing width
B,B4 55.6 mm Width of inner ring
C 34 mm Outer ring width
r(min.) 2.5 mm Chamfer dimension
r1(min.) 1.5 mm Chamfer dimension
S1 45.2 mm Distance from locking device side face to raceway centre
G 8.7 mm Distance face to thread centre
ds M10×1.25 Set screw
d3 83 mm Outside diameter of locking collar
B5 22.2 mm Width of locking collar

Basic Load Ratings

Cr 71.5 kN Basic dynamic load rating
C0r 45 kN Basic static load rating

Mass

Mass approx. 2.42 kg Mass approx.

Questions?

We are here to help.

admin@jfubearing.com

Get expert sales advice within 12 hours.

💬

+86-15961837791

Chat with us now for a quick response.

Contact us now to get a free quote or estimate.