UC310-115D1 Series-

Time:2025-11-25Edit:JFU Bearing
UC310-115D1 Series

UC310-115D1 Series

/uploads/pic/f2lrud2jnam2611_20251120213513.webp

UC310-115D1 Series

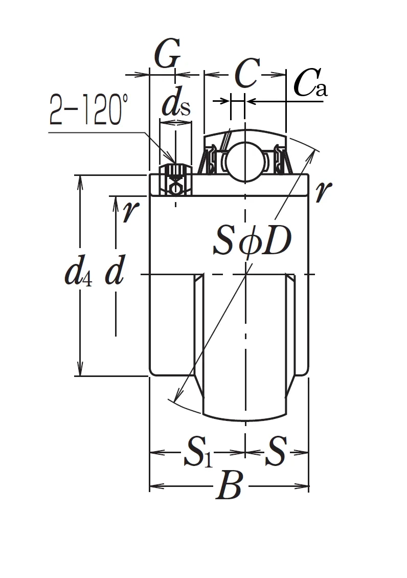
Designations

UC310-115D1

Included products

Bearing UC310-115D1 Bearing

Nominal Dimensions

d 49.212 mm Bore diameter
D 110 mm Outside diameter
B,B4 61 mm Width of inner ring
C 32 mm Outer ring width
r(min.) 2.5 mm Chamfer dimension
S1 39 mm Distance from locking device side face to raceway centre
G 12 mm Distance face to thread centre
ds 1/2-21UNF Set screw
Ca 7.9 mm Distance from oil hole centre to raceway centre
d4 70.6 mm Outside diameter of inner ring

Basic Load Ratings

Cr 62 kN Basic dynamic load rating
C0r 38.5 kN Basic static load rating

Mass

Mass approx. 1.71 kg Mass approx.

Questions?

We are here to help.

admin@jfubearing.com

Get expert sales advice within 12 hours.

💬

+86-15961837791

Chat with us now for a quick response.

Contact us now to get a free quote or estimate.