UEL208D1 Series-

Time:2025-11-25Edit:JFU Bearing
UEL208D1 Series

UEL208D1 Series

/uploads/pic/212ss4clpui2535_20251120211828.webp

UEL208D1 Series

Designations

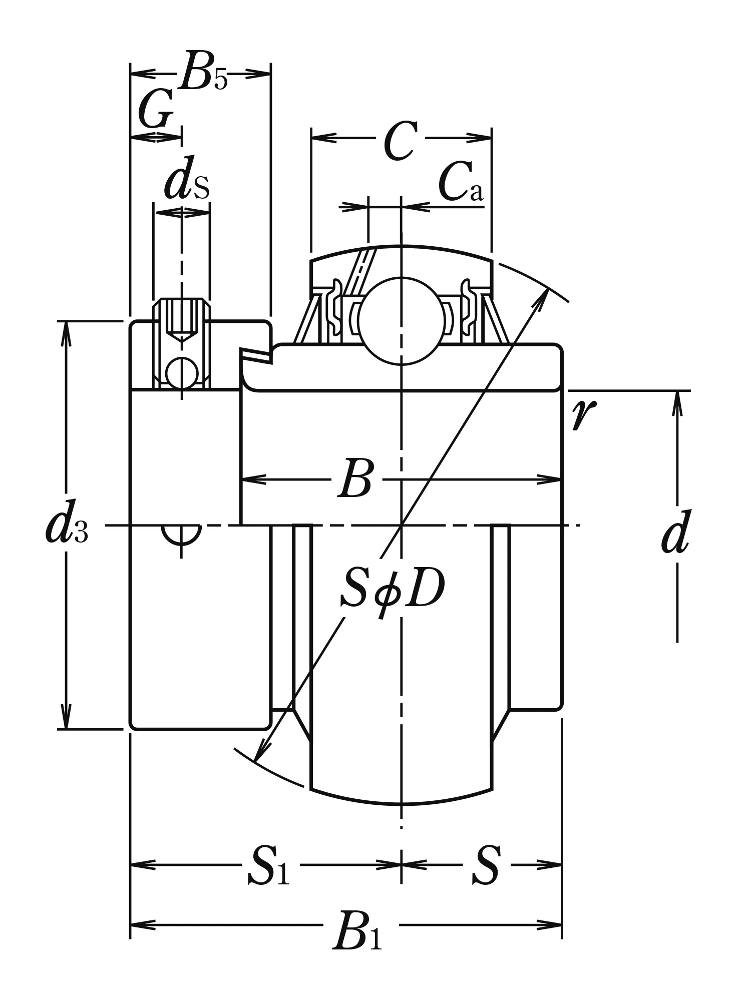
UEL208D1

Included products

Bearing UEL208D1 Bearing

Nominal Dimensions

d 40 mm Bore diameter
D 80 mm Outside diameter
B1 56.3 mm Overall bearing width
B,B4 42.8 mm Width of inner ring
C 21 mm Outer ring width
r(min.) 1.5 mm Chamfer dimension
S1 34.9 mm Distance from locking device side face to raceway centre
G 6.8 mm Distance face to thread centre
ds M10×1.25 Set screw
Ca 6 mm Distance from oil hole centre to raceway centre
d3 60 mm Outside diameter of locking collar
B5 18.3 mm Width of locking collar

Basic Load Ratings

Cr 29.1 kN Basic dynamic load rating
C0r 17.8 kN Basic static load rating

Mass

Mass approx. 0.78 kg Mass approx.

Questions?

We are here to help.

admin@jfubearing.com

Get expert sales advice within 12 hours.

💬

+86-15961837791

Chat with us now for a quick response.

Contact us now to get a free quote or estimate.