UC307-107D1 Series-

Time:2025-11-25Edit:JFU Bearing
UC307-107D1 Series

UC307-107D1 Series

/uploads/pic/11nbchlsunf2513_20251120211450.webp

UC307-107D1 Series

Designations

UC307-107D1

Included products

Bearing UC307-107D1 Bearing

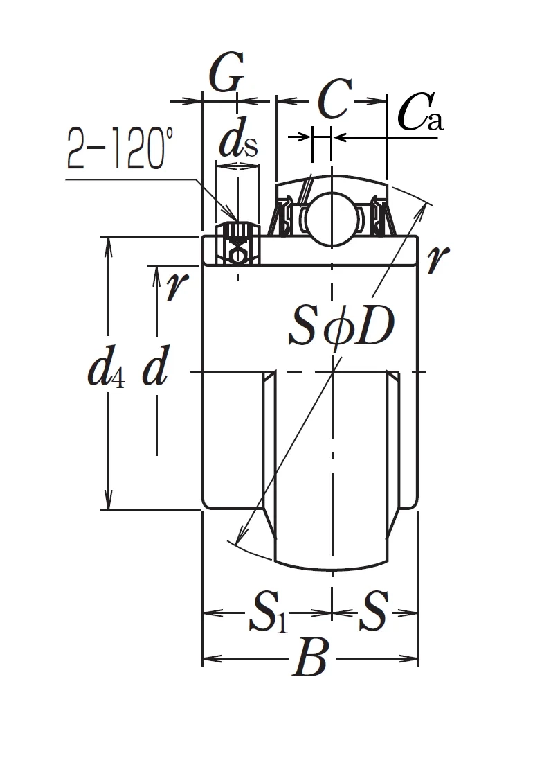
Nominal Dimensions

d 36.512 mm Bore diameter
D 80 mm Outside diameter
B,B4 48 mm Width of inner ring
C 25 mm Outer ring width
r(min.) 2 mm Chamfer dimension
S1 29 mm Distance from locking device side face to raceway centre
G 8 mm Distance face to thread centre
ds 5/16-27UNF Set screw
Ca 5.7 mm Distance from oil hole centre to raceway centre
d4 49.4 mm Outside diameter of inner ring

Basic Load Ratings

Cr 33.5 kN Basic dynamic load rating
C0r 19.1 kN Basic static load rating

Mass

Mass approx. 0.67 kg Mass approx.

Questions?

We are here to help.

admin@jfubearing.com

Get expert sales advice within 12 hours.

💬

+86-15961837791

Chat with us now for a quick response.

Contact us now to get a free quote or estimate.