ASS207N Series-

Time:2025-11-25Edit:JFU Bearing
ASS207N Series

ASS207N Series

/uploads/pic/05ry55rvfac2483_20251120210407.webp

ASS207N Series

Designations

ASS207N

Included products

Bearing ASS207N Bearing

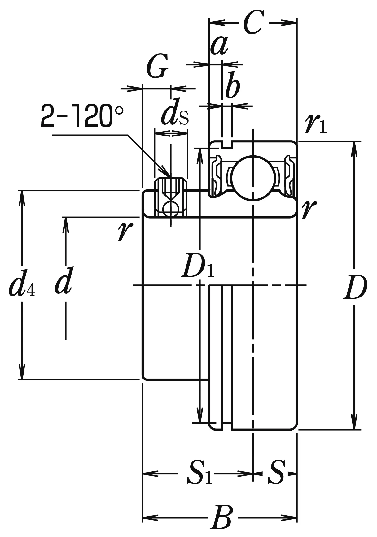
Nominal Dimensions

d 35 mm Bore diameter
D 72 mm Outside diameter
B,B4 34 mm Width of inner ring
C 17 mm Outer ring width
r(min.) 1.5 mm Chamfer dimension
r1(min.) 0.6 mm Chamfer dimension
S1 25.5 mm Distance from locking device side face to raceway centre
G 6 mm Distance face to thread centre
ds M6×0.75 Set screw
d4 46.8 mm Outside diameter of inner ring
D1 68.81 mm Diameter of snap ring groove
a 3.18 mm Distance outer ring from side face to snap ring groove
b 2.05 mm Width of snap ring groove

Basic Load Ratings

Cr 25.7 kN Basic dynamic load rating
C0r 15.3 kN Basic static load rating

Mass

Mass approx. 0.49 kg Mass approx.

Questions?

We are here to help.

admin@jfubearing.com

Get expert sales advice within 12 hours.

💬

+86-15961837791

Chat with us now for a quick response.

Contact us now to get a free quote or estimate.