UC206-101D1 Series-

Time:2025-11-25Edit:JFU Bearing
UC206-101D1 Series

UC206-101D1 Series

/uploads/pic/hscfto3h2ce2409_20251120202956.webp

UC206-101D1 Series

Designations

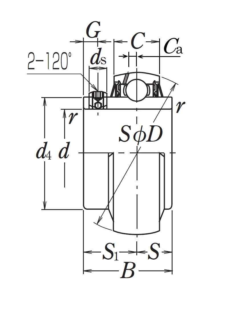
UC206-101D1

Included products

Bearing UC206-101D1 Bearing

Nominal Dimensions

d 26.988 mm Bore diameter
D 62 mm Outside diameter
B,B4 38.1 mm Width of inner ring
C 19 mm Outer ring width
r(min.) 1 mm Chamfer dimension
S1 22.2 mm Distance from locking device side face to raceway centre
G 5 mm Distance face to thread centre
ds 1/4-28UNF Set screw
Ca 4.9 mm Distance from oil hole centre to raceway centre
d4 40.8 mm Outside diameter of inner ring

Basic Load Ratings

Cr 19.5 kN Basic dynamic load rating
C0r 11.3 kN Basic static load rating

Mass

Mass approx. 0.36 kg Mass approx.

Questions?

We are here to help.

admin@jfubearing.com

Get expert sales advice within 12 hours.

💬

+86-15961837791

Chat with us now for a quick response.

Contact us now to get a free quote or estimate.